EasyManua.ls Logo

Panasonic CW-A90VE - Wiring Diagram

Panasonic CW-A90VE
21 pages
Print Icon
To Next Page IconTo Next Page
To Next Page IconTo Next Page
To Previous Page IconTo Previous Page
To Previous Page IconTo Previous Page
Loading...
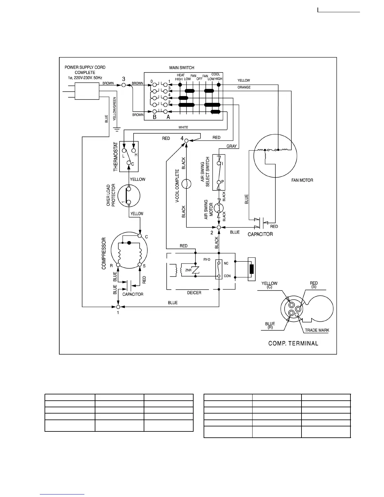
4 Wiring Diagram
4.2. Resistance of Compressor
windings and the rated
Capacitor.
CW-A90VE CW-A120VE
Connection CWB092184 2KS206D5DA04
C-R 3.466 2.293
C-S 3.843 3.245
Capacitor DS371306CPNA
(30µF, 370VAC)
DS371356CPNA
(35µF, 370VAC)
Note: Resistance at 20°C of Ambient Temperature.
4.3. Resistance of Fan Motor
windings and the rated
Capacitor.
CW-A90VE CW-A120VE
Connection CWA951228 CWA921145
Blue - Yellow 205.8 84.1
Yellow - Orange 75.2 55.6
Red - Orange 170.0 118.3
Capacitor CWA31618
(2.0µF, 440VAC)
DS441305BPQH
(3µF, 440VAC)
4.1. CW-A90VE & CW-A120VE
5
CW-A90VE / CW-A120V
E