EasyManua.ls Logo

Panasonic DH-3VS1 - Page 39

Panasonic DH-3VS1
82 pages
Print Icon
To Next Page IconTo Next Page
To Next Page IconTo Next Page
To Previous Page IconTo Previous Page
To Previous Page IconTo Previous Page
Loading...
ภาษาไทย
TH5
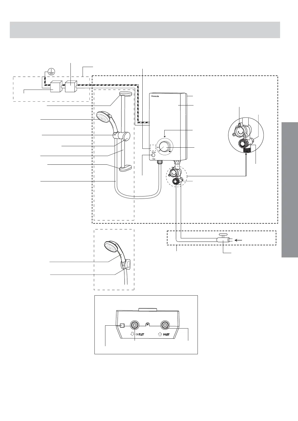
วนประกอบตางๆ
DH-3VS1 / DH-4VS1 / DH-6VS1 / DH-3VL1 / DH-4VL1
OFF
MA
OFF
MA
OFF
MA
OFF
MA
CLE
A
N
ING
FILTER
OFF
MA
OFF
MA
OFF
MA
OFF
MA
CL
EA
NING
FILTER
สวตช
เปด/ปด การทํางาน
สายด
เบรคเกอร (สะพานไฟ)
ตัวยดราวด านบน
หัวฝกบัว
ขอแขวนฝกบัว
ลูกบดของขอแขวนฝกบัว
ราวเลือน
ตัวยดราวด านล่าง
ดวาลวปรับแรงดันนําเข
อุปกรณ์แยกซ
ื
ทางเข
วาลวนําหลัก
ปุ มกรองนํ
ปุ มปรับปรมาณนํา
แผ่นหลัง
แผ่นหน
อุปกรณ์แยกซ
ื
รูปด านล่าง
ปุ่มเพาเวอร์
เครืองตัดไฟรัวในตัว (ELB)
ปรับลูกบิด
สัญญาณไฟ
ELB
แกนสวตช
นิรภัย ELB
หัวฝกบัว
ขอแขวนฝกบัว
ปุ มทดสอบ
สวตช
นิรภัย
ELB
สําหรับรุ่น
DH-3VS1 / DH-4VS1 /
DH-6VS1
สําหรับรุ่น
DH-3VL1 / DH-4VL1
สายฝกบัว
ทางออก ทางเข

Related product manuals