EasyManua.ls Logo

Panasonic DH-3VS1 - Page 55

Panasonic DH-3VS1
82 pages
Print Icon
To Next Page IconTo Next Page
To Next Page IconTo Next Page
To Previous Page IconTo Previous Page
To Previous Page IconTo Previous Page
Loading...
ែខ
KH5
រកំណត់អតស ណេគងប ស់
DH-3VS1 / DH-3VP1
OFF
MA
OFF
MA
OFF
MA
OFF
MA
CLEA
N
ING
FILTER
OFF
MA
OFF
MA
OFF
MA
OFF
MA
CL
EA
NING
FILTER

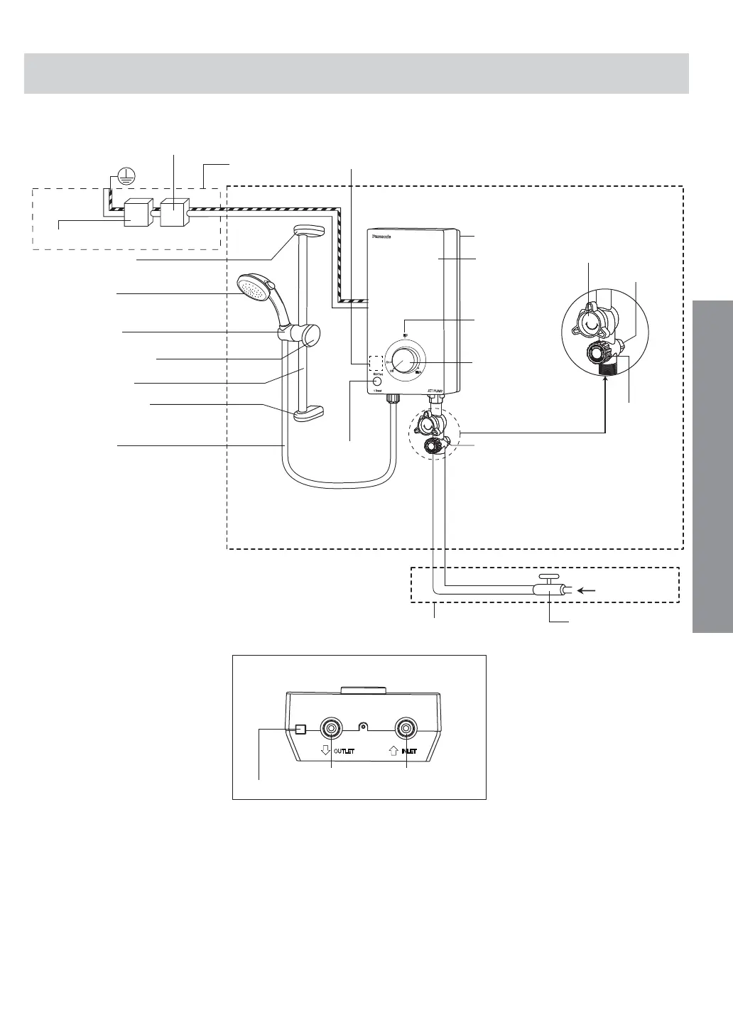
DP
/ ( )

  
(MCB)
 

 


 

 
 







  





 
   (
ELB
)
 
 ELB

ELB
 
ELB




Related product manuals