EasyManua.ls Logo

Panasonic F-56XPG - Page 10

Panasonic F-56XPG
20 pages
Print Icon
To Next Page IconTo Next Page
To Next Page IconTo Next Page
To Previous Page IconTo Previous Page
To Previous Page IconTo Previous Page
Loading...
10
How to install
如何安裝
Cách lp đặt
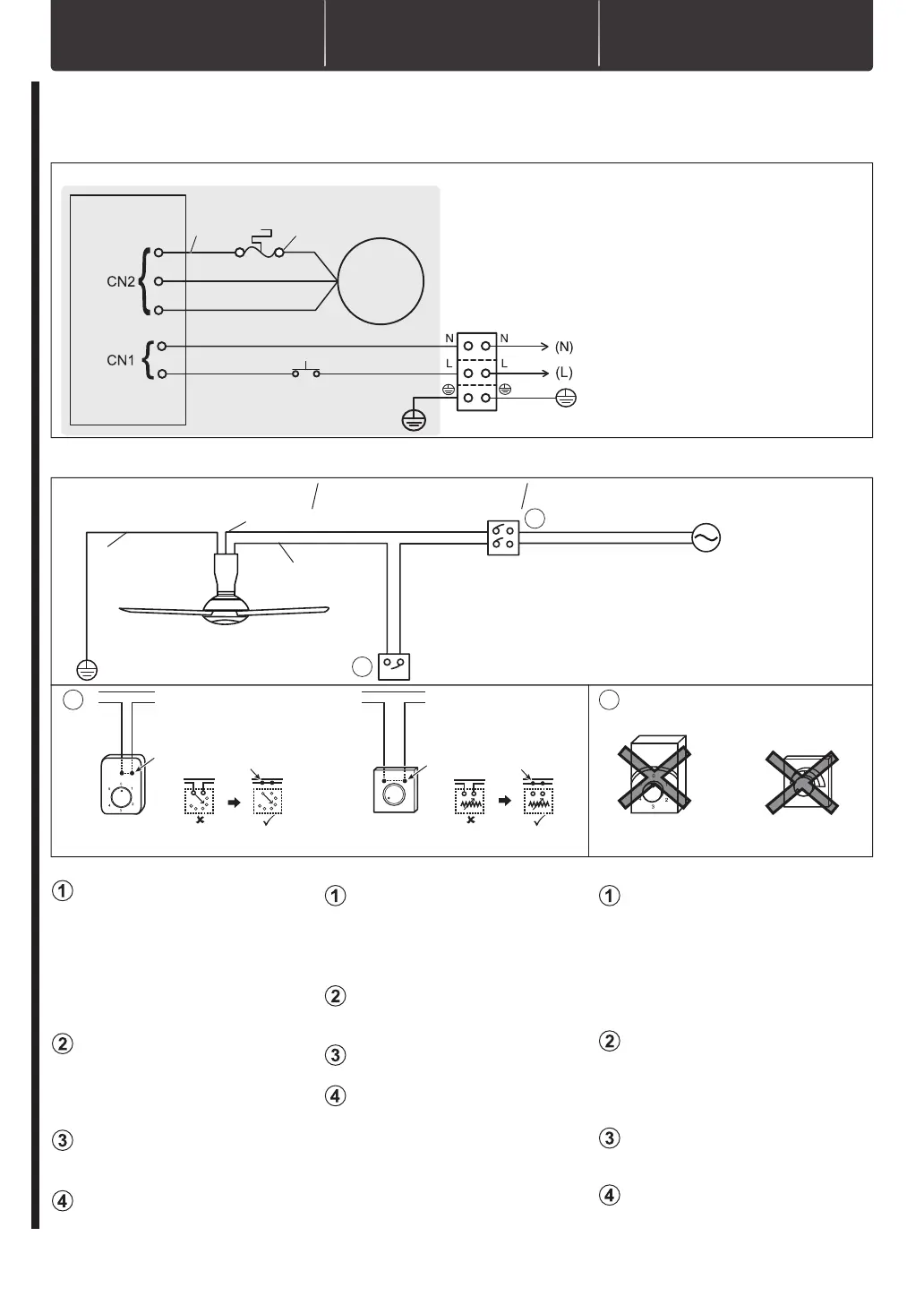
Connecting to the power supply / 電源連接 / Kết ni ngun đin
Attention:
It is recommended to user to
install OFF/ON switch on the wall
for the Ceiling Fan, replacing
existing regulator or new regulator
point.
If your Remote Control missing or
misplaced, the Ceiling Fan can be
switched on pre set speed 2.
This product should be installed
with a double poles single throw
switch (breaker switch) with a
minimum of 3 mm contact gap in
the xed installation circuit.
Should there be a regulator or
dimmer switch, disconnect it and
reconnect the wiring as above.
Do not use regulator or dimmer
switch for this model.
(It can damage the Ceiling Fan)
Connect to the power supply
according to the wiring instruction
below.
Wiring diagram / 電線圖 / Sơ đồ ni dây
Motor /
發動機 /
Động cơ
Ceiling Fan / 吊扇 / Qut Trn
Brown (Live) / 棕色(火線)/ Nâu (Dây nóng)
Source / 電源 / Ngun Đin
Blue (Neutral) / 藍色(零線)/ Xanh dương (Trung tính)
Green•Yellow (Earth) / 綠色黃色(地線)/ Xanh lá•Vàng (Ni đất )
Black / 黑色 / Màu đen
Main PCB /
主要印刷電路板 /
Bng Mch In Chính
Terminal /
終端 /
Trm Ni
Thermal Fuse /
熱熔絲 /
Cu Chì Nhit
Blue / 藍色 / Xanh dương
Brown / 棕色 / Nâu
Red / 紅色 / Màu đỏ
White /
白色/
Trng
留意:
Chú ý:
Nên lp thêm công tc OFF/ON
trên tường cho Qut Trn, thay
thế hp s hin có hoc hp s
không thích hp.
•Nếu hng hoc tht lc b Điu
Khin T Xa, có th bt Qut Trn
vi tc độ đặt trước là 2 bng
công tc tường.
Sn phm này cn được lp kèm
vi công tc hai cc (công tc
ngt) vi khong cách tiếp xúc ti
thiu trong mch được lp c định
là 3 mm.
Nếu có hp s hoc chiết áp, tháo
nó ra trước và kết ni li dây như
hình v trên.
Không s dng hp s hay chiết
áp.
(Có th làm hng Qut Trn.)
建議用戶將吊扇的 OFF/ON 開關
安裝在牆壁上,替換現有的調節器
或新的調節點。
若您的遙控器不見了,吊扇可以以
預設速度 2 開啟。
此產品必須在固定安裝電路上裝上
觸點間隙為最少 3 毫米的雙極單投
開關(斷路開關)。
若有調節器或調光開關,請按照上
圖拆除然後重新連接。
型號切勿使用調光開關或調節器。
(這會損壞吊扇)
根據以下接線說明進行電源連接。
Ni vi ngun đin theo hướng dn
ni dây dưới đây.
Safety Switch /
安全開關 /
Công Tc An Toàn
Ceiling Fan / 吊扇 / Qut Trn
Wall Switch (OFF / ON) /
牆壁開關按鈕(關 / 開)/
Công Tc Tường (TT / BT)
Rated voltage is mentioned on product. /
產品上註明額定電壓。/
Đin áp định mc có ghi trên sn phm.
Blue (Neutral) / 藍色(零線)/ Xanh dương (Trung tính)
Brown (Live) /
棕色(火線)/
Nâu (Dây nóng)
Green•Yellow (Earth) /
綠色黃色(地線)/
Xanh lá•Vàng (Ni đất)
Earth /
地線 /
Ni đất
Double poles single throw switch (Breaker Switch) /
雙極單投開關(斷路開關)/
Công tc hai cc (Công Tc Ngt)
Only direct connection to wall switch is allowed.
Please refer to gure below.
只准許直接把電源連接於本吊扇。
請參考下圖。
Ch được phép ni trc tiếp vi công tc trên tường.
Xem hình minh ha phía dưới.
2
1
Power supply /
電源 /
Ngun đin
Connect directly /
直接連接 /
Ni trc tiếp
Dimmer switch /
Suis ‘dimmer’ /
调光开关
Dimmer switch /
調光開關 /
Chiết áp
Power supply /
電源 /
Ngun đin
Connect directly /
直接連接 /
Ni trc tiếp
Regulator /
調節器 /
Hp s
Regulator /
調節器 /
Hp s
3 4

Related product manuals