EasyManua.ls Logo

Panasonic KX-A143EXC - Page 76

Panasonic KX-A143EXC
115 pages
Print Icon
To Next Page IconTo Next Page
To Next Page IconTo Next Page
To Previous Page IconTo Previous Page
To Previous Page IconTo Previous Page
Loading...
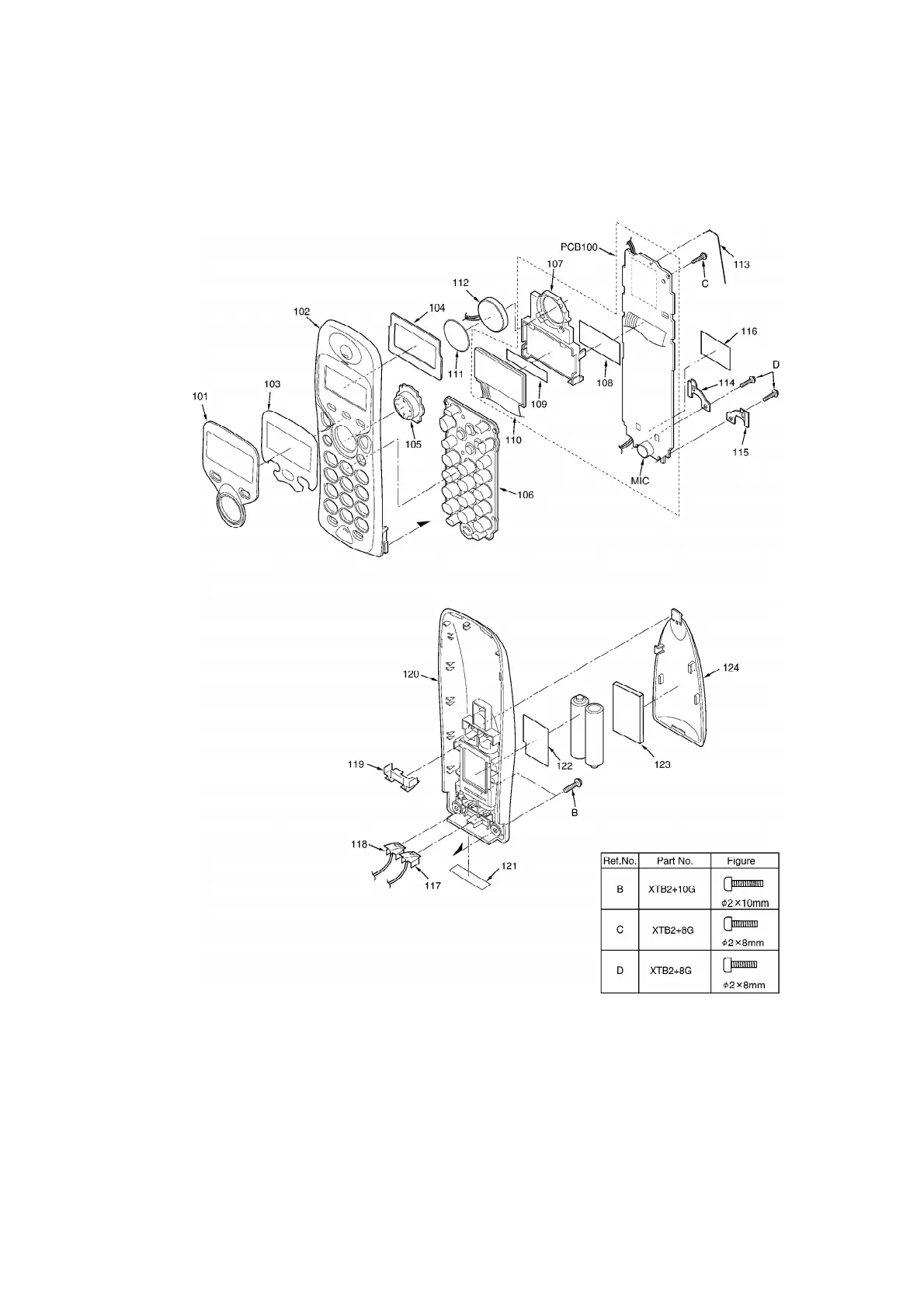
31. CABINET AND ELECTRICAL PARTS LOCATION
(HANDSET)
32. CABINET AND ELECTRICAL PARTS LOCATION
(CHARGER UNIT)
76