EasyManua.ls Logo

Panasonic KX-A143EXC - Page 77

Panasonic KX-A143EXC
115 pages
Print Icon
To Next Page IconTo Next Page
To Next Page IconTo Next Page
To Previous Page IconTo Previous Page
To Previous Page IconTo Previous Page
Loading...
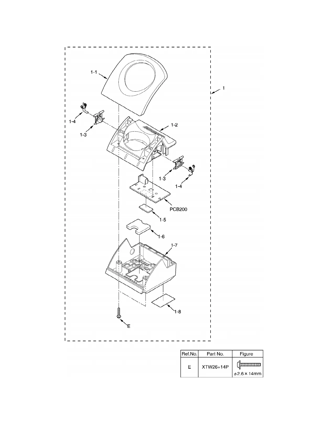
33. ACCESSORIES AND PACKING MATERIALS
77