EasyManua.ls Logo

Panasonic KX-A143EXC - Page 97

Panasonic KX-A143EXC
115 pages
Print Icon
To Next Page IconTo Next Page
To Next Page IconTo Next Page
To Previous Page IconTo Previous Page
To Previous Page IconTo Previous Page
Loading...
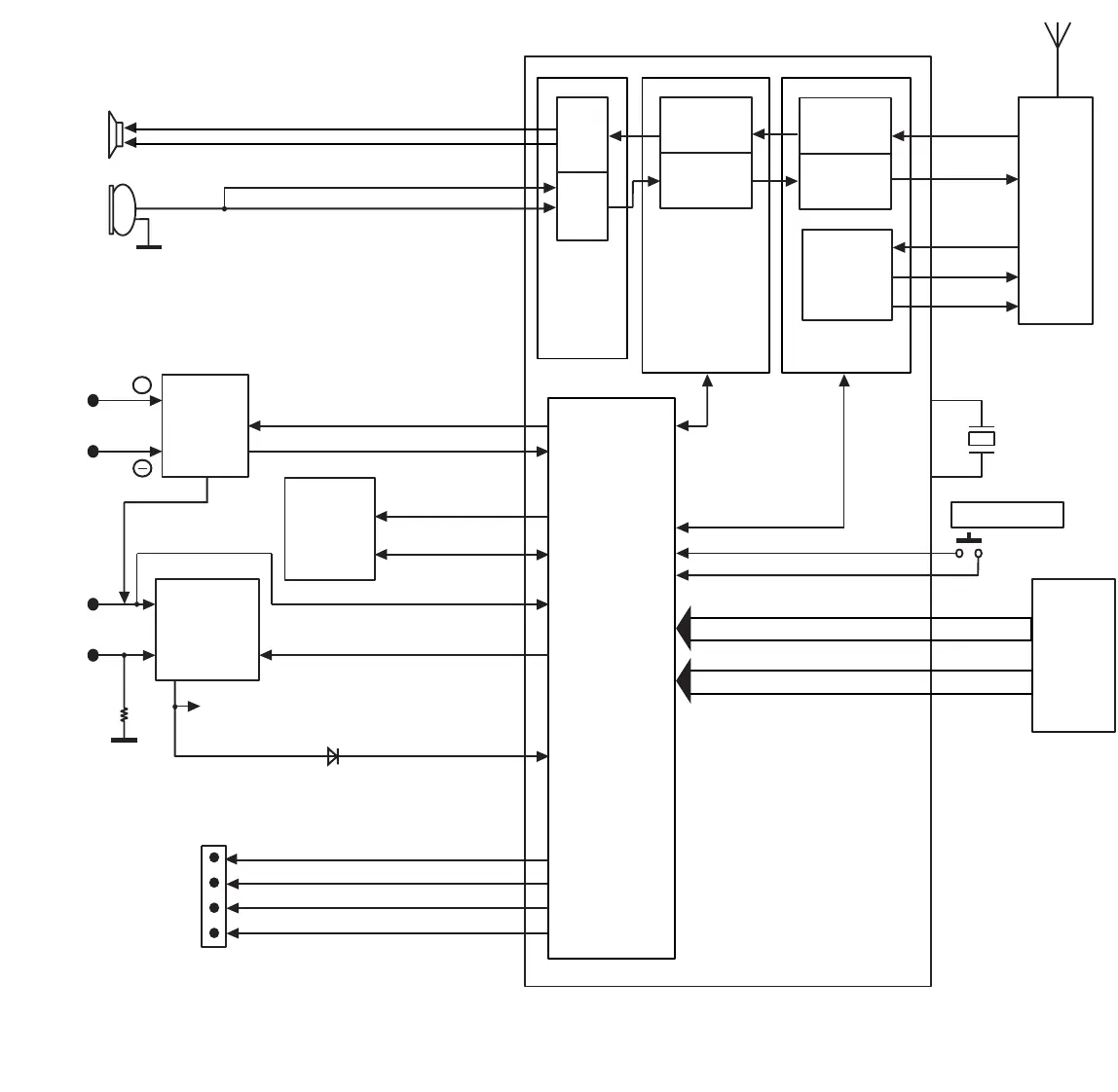
33
CPU
IC1
IC3
BBIC
A/D
D/A
Analog
Front
End
Speech
Encoding
Speech
Decoding
DSP
ADPCM
Codec
Filter
BMC
RF
Interface
MIC
EEPROM
IC2
SDA
SCL
66
67
5
6
SYRI
RSSI
SYEN
RXDA
TXDA
16
12
48
23
13
RF
Module
ANT
BATTERY
TERMINAL
TP3
TP4
CHARGE
CIRCUIT
CHARGE
CHARGE DETECT
SWITCHED
SUPPLY
CHARGE
CONTACTS
TP5
4.0V
VDDBAT
VDDLR
SWITCH
31
XTAL
10.368
MHz
KEYPAD
COLUMNS
ROWS
LCD
14 Seg
Display
ON SWITCH
38
27
26
36
37
28
pin 2, 5~9
COM 0~5
segment 0~29
pin1, 90~100, 87, 78~84,
72~76, 61, 62, 56~58
EARPIECE
42
41
45
17~21
53~55, 59, 60
34
Burst
Encoding
Burst
Decoding
+
TP6
D3
KX-A143EXC/EXF BLOCK DIAGRAM (HANDSET)
46
20
4
5
13
10