EasyManua.ls Logo

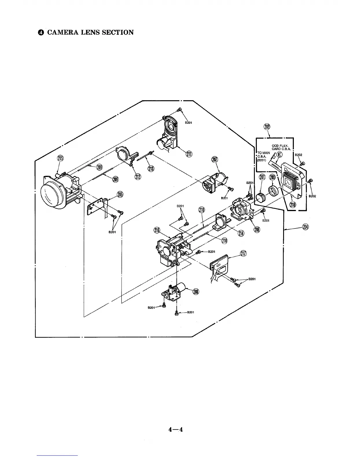
Panasonic NV-A3E - Exploded Views: Camera Lens Section

Panasonic NV-A3E
104 pages
Print Icon
To Next Page IconTo Next Page
To Next Page IconTo Next Page
To Previous Page IconTo Previous Page
To Previous Page IconTo Previous Page
Loading...

Table of Contents

Related product manuals