EasyManua.ls Logo

Panasonic NV-DS30B - SIMPLIFIED FAULT FINDING DATA

Panasonic NV-DS30B
133 pages
To Next Page IconTo Next Page
To Next Page IconTo Next Page
To Previous Page IconTo Previous Page
To Previous Page IconTo Previous Page
Loading...
portion.
4. Use extreme care when unplugging or plugging in connectors.
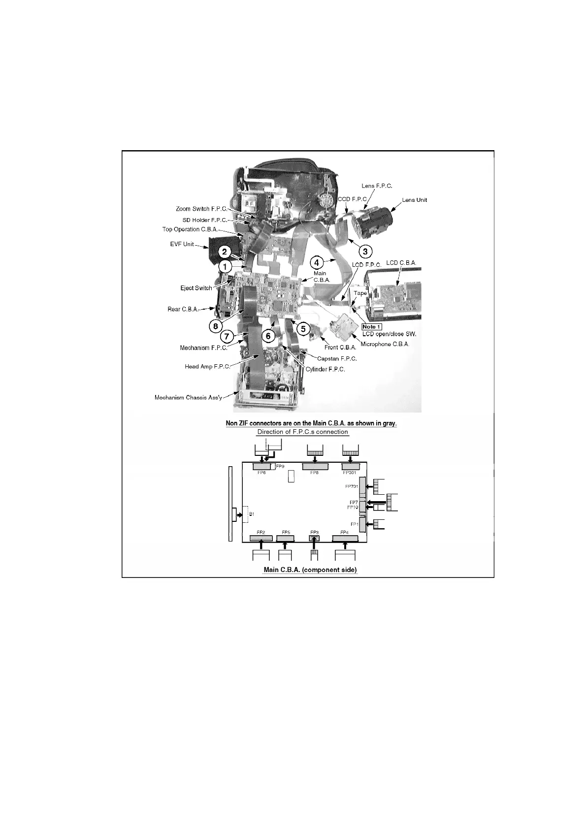
Fig. 1
6.1.2. SIMPLIFIED FAULT FINDING DATA (SELF-DIAGNOSTIC SYSTEM)
When following conditions occur, the Power LED will flash
according to the condition.
Fig. 2-1
10

Other manuals for Panasonic NV-DS30B

Related product manuals