EasyManua.ls Logo

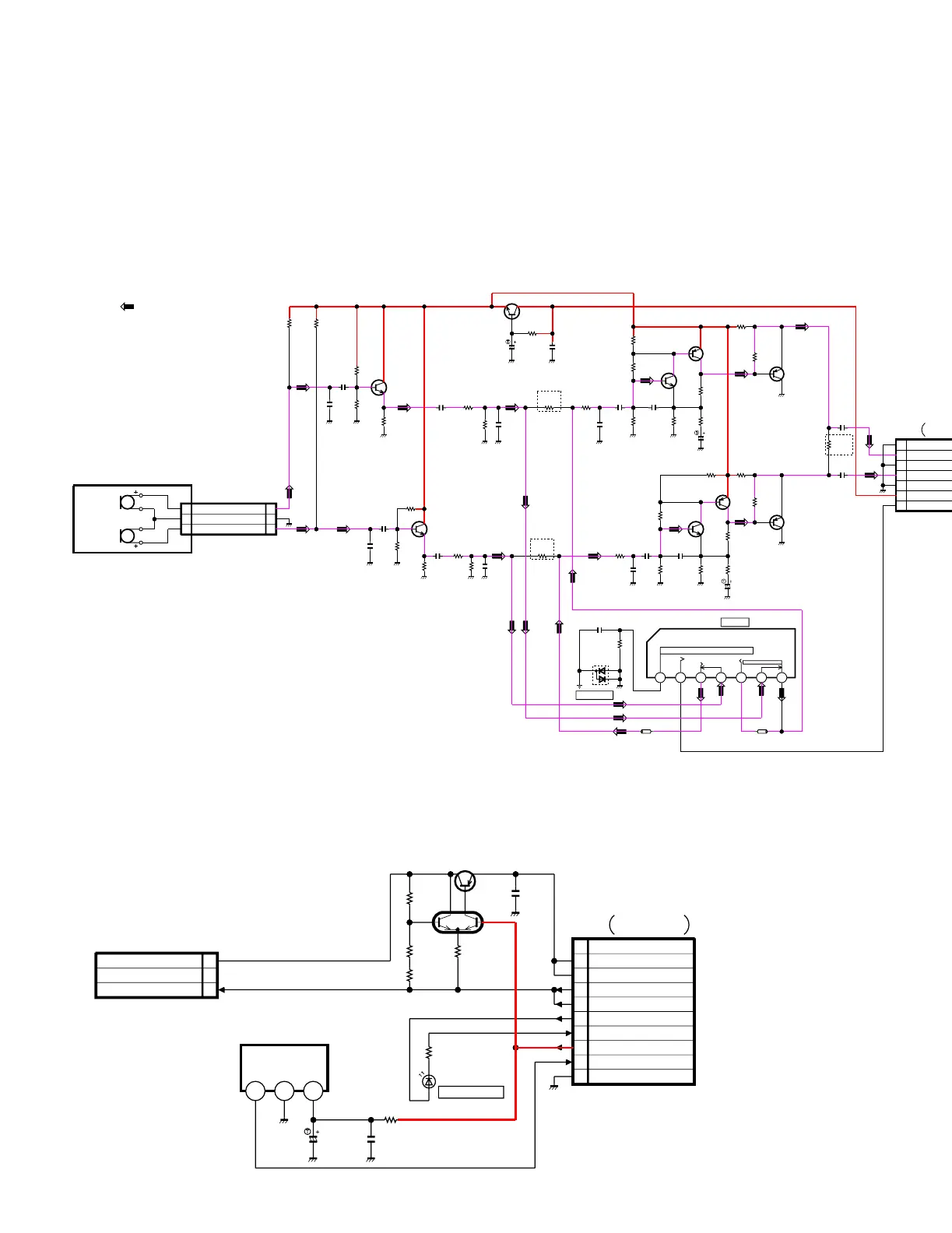
Panasonic NV-DS30B - Front Schematic Diagram

Panasonic NV-DS30B
133 pages
Print Icon
To Next Page IconTo Next Page
To Next Page IconTo Next Page
To Previous Page IconTo Previous Page
To Previous Page IconTo Previous Page
Loading...
8.4. MICROPHONE/FRONT/EVF BACKLIGHT SCHEMATIC DIAGRAMS
N
OTE:
FOR SCHEMATIC DIAGRAM AND CIRCUIT BOARD LAYOUT NOTES
,
REFER TO BEGINNING OF SCHEMATIC SECTION.
N
OTE:
PARTS ENCLOSED IN DASHED LINES MARKED "PT" ARE NOT USED
.
COMPARISON CHART
OF MODELS & MARKS
NV-DS29EG
NV-DS20EGM
NV-DS29B
NV-DS29EGE
NV-DS30EG
NV-DS30EGM
NV-DS30B
NV-DS30EGE
NV-DS30EN
NV-DS30ENT
NV-DS30ENC
NV-DS30A
NV-DS50EN
NV-DS50ENT
NV-DS50A
Not Used
A
B
C
D
E
F
G
H
I
J
K
L
M
N
O
PT
MODEL MARK
NOTE: For placing a purchase order of the parts,
be sure to use the part number listed in the parts list.
Do not use the part number on this diagram.
MICROPHONE SCHEMATIC DIAGRAM
ECM UNIT
FRAME GND
REC AUDIO SIGNAL
TO MAIN C.B.A.
FP10
PT
PT
PT
EXT MIC
R4820
C4802
R4823
Q4801
C4806
R4805
C4809
R4815
R4802
Q4805
R4819
C4812
ECM_R
C4811
R4825
R4801
R4811
R4818
R4817
R4813
R4809
R4821
Q4806
Q4802
R4822
Q4803
C4801
R4812
R4814
R4810
C4810
C4807
R4827
R4803
R4806
C4804
C4803
R4808
R4804
R4807
C4805
C4808
C4813
C4814
R4831
R4830
C4815
Q4808
R4833
R4832
C4816
Q4809
C4817
C4818
R4834
R4835
R4836
FP4801
C4819
C4820
C4821
R4824
Q4804
R4816
R4838
R4837
Q4807
L4802
L4801
JK4801
D4803
FJ4801
1
2
3
ECM_L
56K
1000P
150
2SD1819A
1000P
8200
1000P
150
3900
2SD1819A
150K
0.01
WM-61A102A
22/6.3V
2200
3900
150K
10K
470
1200
470
1200
2SB1218A
2SD1819A
5600
2SB1218A
1000P
56K
5600
10K
22/4V
22/4V
0
100K
100K
0.027
0.027
8200
36K
36K
1
1
820P
820P
3300
56K
0.022
2SD1819A
3300
56K
0.022
2SD1819A
1
1
0
0
0
2200P
2200P
0.1
PT
PT
PT
0
0
PT
BK1608LM751
BK1608LM751
LSJJ0142
MA143
WM-61A102A
7 EXT_MIC_IN_L
6 REGA5V
5 AV_GND
4 A_M_OUT [L]
3 AV_GND
2 A_M_OUT [R]
1 AV_GND
2A_GND
3ECM_R
1ECM_L
1234567
MICROPHONE/FRONT/EVF BACKLIGHT SCHEMATIC DIAGRAMS
NV-DS29EG/NV-DS29EGM/NV-DS29B/NV-DS29EGE/NV-DS30EG/NV-DS30EGM/NV-DS30B/NV-DS30EGE/
NV-DS30EN/NV-DS30ENT/NV-DS30ENC/NV-DS30A/NV-DS50EN/NV-DS50ENT/NV-DS50A
EVF BACKLIGHT SCHEMATIC DIAGRAM
FRONT SCHEMATIC DIAGRAM
LSJB8169
LSJB8193
NOTE:
EVF BACK LIGHT C.B.A. IS NOT SERVICEABLE AND IS
SUPPLIED AS A UNIT ONLY FOR REPLACEMENT.
NOTE:
FRONT C.B.A. IS NOT SERVICEABLE AND IS
SUPPLIED AS A UNIT ONLY FOR REPLACEMENT.
NOTE:
MICROPHONE C.B.A. IS NOT SERVICEABLE AND IS
SUPPLIED AS A UNIT ONLY FOR REPLACEMENT.
“FOR REFERENCE ONLY”
“FOR REFERENCE ONLY”
“FOR REFERENCE ONLY”
LSJB8168
TO MAIN C.B.A
FP8
EVF LCD PANEL UNIT
BACKLIGHT
FP951
1BL_GND
2BL_GND
3BL_5V
4VIDL
5RENO
6RENE
7HCK
8HPL
9VREF
10VSS
11VDD
12VEE
13VCOM
14HLTOR
15HODL
16VPL
17VCK
18VIDH
19PDR
FP952
20 TV
19 THL
18 TCL
17 VIDL
16 RENO
15 RENE
14 HCK
13 HPL
12 VREF
11 VSS
10 VDD
9 VEE
8 VCOM
7HLTOR
6 HODL
5 VPL
4 VCK
3 VIDH
2 PDR
1 THH
Q951
2SD2216
D951
B3AFB0000024
C951
PT
R957
0
R954
10K
R953
22K
R955
120
R951 0
R952 0
R956
1K
C955 0.1
C952 0.1 C953 0.1 C954 0.1
R6501
56
C6501
10/6.3V
D6502
SLR7123A50AB
U6501
RPM6937
123
C6502
0.1
P6501
3
2
1
R6502
27
FP6501
10
NC
9
LIGHT_GND
8
LIGHT_GND
7
LIGHT_UNREG
6
LIGHT_UNREG
5
NIGHT_UNREG
4
NIGHT_LED_K
3
S5V
2
REMOCON
1
D_GND
Q6502
2SA2043
R6503
1800
R6504
3900
R6505
330
R6506
820
Q6501
XP1501
C6503
0.1
TO MAIN C.B.A.
FP1
MAGICVU LED
(TO LAMP SOCKET UNIT)
LIGHT--
NC
LIGHT++
TO MAIN C.B.A
FP8
EVF LCD PANEL UNIT
BACKLIGHT
FP951
1BL_GND
2BL_GND
3BL_5V
4VIDL
5RENO
6RENE
7HCK
8HPL
9VREF
10VSS
11VDD
12VEE
13VCOM
14HLTOR
15HODL
16VPL
17VCK
18VIDH
19PDR
FP952
20 TV
19 THL
18 TCL
17 VIDL
16 RENO
15 RENE
14 HCK
13 HPL
12 VREF
11 VSS
10 VDD
9 VEE
8 VCOM
7HLTOR
6 HODL
5 VPL
4 VCK
3 VIDH
2 PDR
1 THH
Q951
2SD2216
D951
B3AFB0000024
C951
PT
R957
0
R954
10K
R953
22K
R955
120
R951 0
R952 0
R956
1K
C955 0.1
C952 0.1 C953 0.1 C954 0.1
164

Other manuals for Panasonic NV-DS30B

Related product manuals