EasyManua.ls Logo

Panasonic NV-DS77 - Page 16

Panasonic NV-DS77
162 pages
To Next Page IconTo Next Page
To Next Page IconTo Next Page
To Previous Page IconTo Previous Page
To Previous Page IconTo Previous Page
Loading...
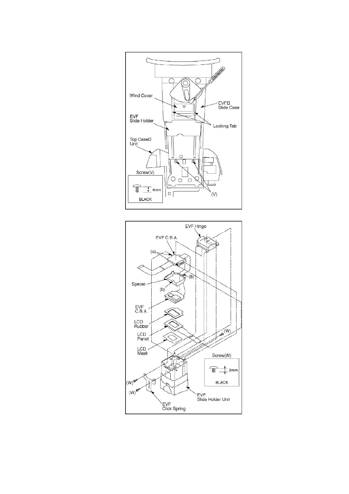
Fig.6-1
Fig.6-2

Related product manuals