EasyManua.ls Logo

Panasonic NV-DS77 - Page 30

Panasonic NV-DS77
162 pages
Print Icon
To Next Page IconTo Next Page
To Next Page IconTo Next Page
To Previous Page IconTo Previous Page
To Previous Page IconTo Previous Page
Loading...
ø ÷
×Ýïðï
ÎÒëÎÙìêßß
Ïïðî
îÍÞïðéí
Ïïðï
îÍÞçéðÕ
Ïìéðï
îÍÜïçéç
×Ýìéðï
ÓçèíïóïðíÓÍÕ
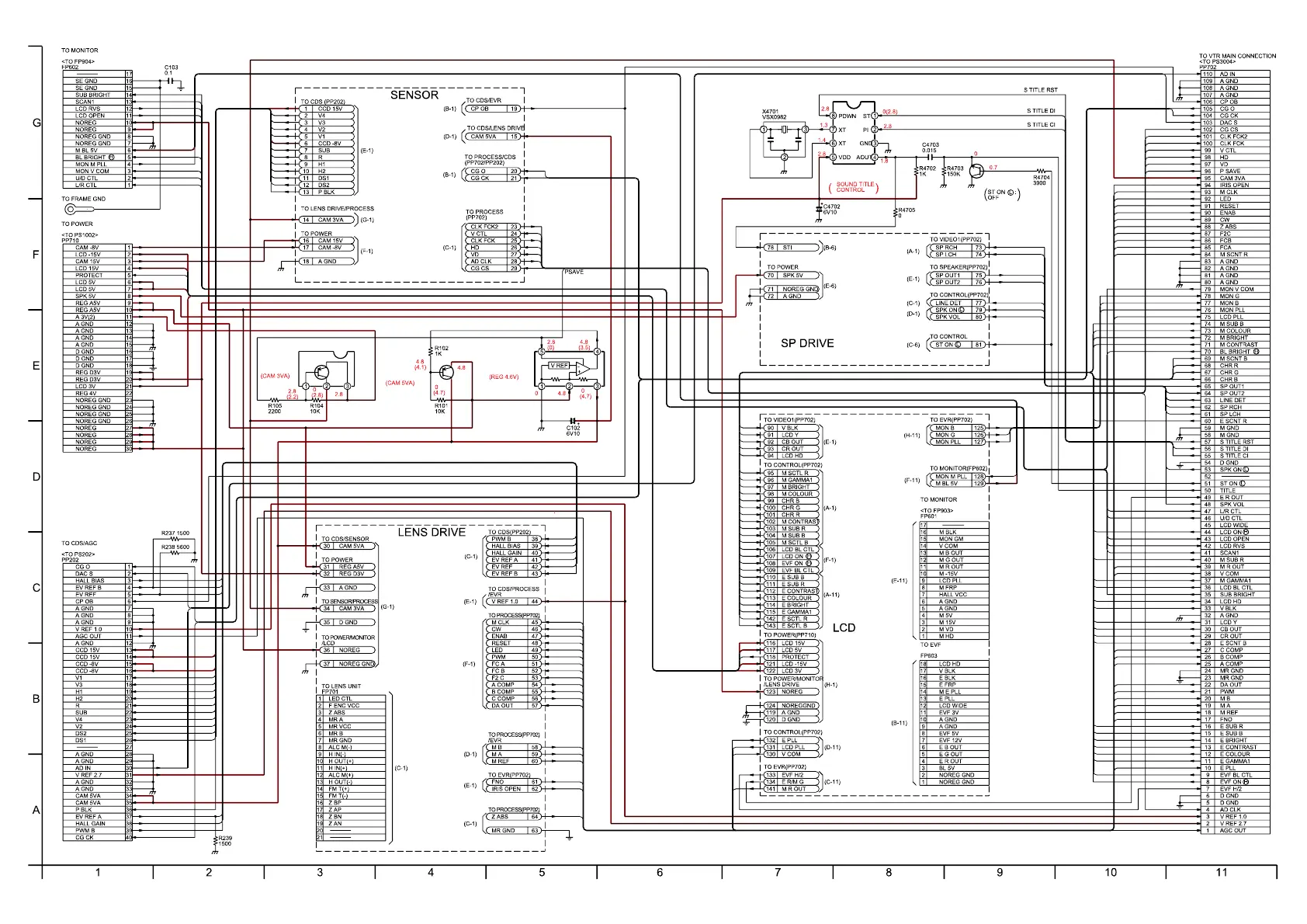
ÒÑÌÛæÌØÛ ÓÛßÍËÎÛÓÛÒÌ ÓÑÜÛ ÑÚ ÌØÛ ÜÝ ÊÑÔÌßÙÛ ÑËÌ ÑÚ ÌØÛ ÞÎßÝÕÛÌÍ ÑÒ ÌØ×Í Ü×ßÙÎßÓ ×Í ÐÔßÇÞßÝÕ ÓÑÜÛò
ÌØÛ ÓÛßÍËÎÛÓÛÒÌ ÓÑÜÛ ÑÚ ÌØÛ ÜÝ ÊÑÔÌßÙÛ ×Ò ÌØÛ ÞÎßÝÕÛÌÍ ÑÒ ÌØ×Í Ü×ßÙÎßÓ ×Í ÎÛÝÑÎÜ ÓÑÜÛòøÍÐ ÓÑÜÛ÷
ÒÑÌÛæÜÑ ÒÑÌ ËÍÛ ßÒÇ ÐßÎÌ ÒËÓÞÛÎ ÍØÑÉÒ ÑÒ ÌØ×Í ÍÝØÛÓßÌ×Ý Ü×ßÙÎßÓ ÚÑÎ ÑÎÜÛÎ×ÒÙòÉØÛÒ ÇÑË ÑÎÜÛÎ ß ÐßÎÌô
ÐÔÛßÍÛ ÎÛÚÛÎ ÌÑ ÐßÎÌÍ Ô×ÍÌò