EasyManua.ls Logo

Panasonic NV-DS77 - Page 35

Panasonic NV-DS77
162 pages
Print Icon
To Next Page IconTo Next Page
To Next Page IconTo Next Page
To Previous Page IconTo Previous Page
To Previous Page IconTo Previous Page
Loading...
øÞßÝÕ Ô×ÙØÌ ÜÎ×ÊÛ÷
ðòë
îòï
øÔÝÜ ÜÎ×ÊÛ÷
ïòî
ïòî
ð
îòè
îòè
ðòë
ìòé
ìòé
ð
îòì
îòì
îòì
îòì
îòì
îòè
ìòé
ðòé
ïòì
îòë
îòé
îòè
îòè
îòè
ð
îòè
øÔÝÜ ÜÎ×ÊÛ÷
ïîòî
ëòé
ïòèïòè
ïîíì
ß
Þ
Ý
Ü
Û
Ú
ïè
ïé
ïê
ïë
ïì
ïí
ïî
ïï
ïð
ç
è
é
ê
ë
ì
í
î
ï
ÔÝÜ ØÜ
Ê ÞÔÕ
Û ÞÔÕ
Û ÚÎÐ
Ó Û ÐÔÔ
Û ÐÔÔ
ÔÝÜ É×ÜÛ
ÛÊÚ íÊ
ß ÙÒÜ
ß ÙÒÜ
ÛÊÚ ëÊ
ÛÊÚ ïîÊ
Û Þ ÑËÌ
Û Ù ÑËÌ
Û Î ÑËÌ
Û ÞÔ ëÊ
ÒÑÎÛÙ ÙÒÜ
ÒÑÎÛÙ ÙÒÜ
äÌÑ ÔÝÜøÚÐêðí÷â
ï
î
í
ì
ë
ê
é
è
ç
ïð
ïï
ïî
ïí
ïì
ïë
ïê
ÊÜÜ
ÜÈ
ÊÍÍ È
ñÝÔÈ
ÝÔÈ
ÊÙÙ È
Ê×ÜóÙ
Ê×ÜóÎ
Ê×ÜóÞ
ñÝÔÇ
ÝÔÇ
ÊÙÙ Ç
ÜÇ
ÍÞ
ÊÍÍ Ç
ÔÝ ÝÑÓ
ÌÑ ÛÊÚ ÔÝÜ ÐßÒÛÔ
ÚÐèðî
ï
î
í
ì
ë
ê
é
è
ç
ïð
ïï
ïî
ïíïìïëïêïéïèïçîðîïîîîíîì
îë
îê
îé
îè
îç
íð
íï
íî
íí
íì
íë
íê
íéíèíçìðìïìîìíìììëìêìéìè
ÊÍÍ
ÑÍÝ×
ÑÍÝÑ
ÊÍÍ
ÐÝÑ
ÑÚØ
ÊÓÑÜÛ
ÉÓÑÜÛ
ÍÞÔÜ
ÞÔÜ×Ò
ÞÔÜ
ÊÍÍ
ÊÍÍ
ÝÔÑ
ÒÝ
ÒÝ
ÍÞ
ÜÇ
ÝÔÇ
ñÝÔÇ
ÝÔÈ
ñÝÔÈ
ÜÈ
ÊÍÍ
ÊÜÜî
ÉÞÔÜï
ÉÞÔÜî
ÉÞÔÜí
ÐÍÓÑÜÛ
ÌÛÍÌï
ÌÛÍÌî
ÌÛÍÌí
ÌÛÍÌì
ÌÛÍÌë
ÌÛÍÌê
ÊÜÜï
ÊÜÜï
ÊÜÑËÌ
ÓÊÍÇÒÝ
ÊÍÇÒÝ
ÓØÍÇÒÝ
ØÍÇÒÝ
ÍÇÓÑÜÛ
ÚÎÐ
ØÊÍÉ
ÞÔÕ
ØÜÑËÌ
ÊÜÜî
Îèðë
ïÕ
Îèðé
ïÕ
Îèðè
ïÕ
Îèðî
ïÕ
ï
î
í
ì
è
é
ê
ë
Ìèèï
ÛÌÖðçÕíïßÓ
ÞÔèèï
ÊÔÔðîðí
Í
Ïèèï
îÍÕïîççóíÍ
Îèèï
ìéÕ
Ôèðí ïðk
Ôèðì ïðk
Ôèðë ïðk
Ôèèï
ïðk
ïîí
ëì
Îèëð
îîÕ
Îèìç
ìéð
Îèëï
ïðÕ
Îèëî
êèðð
×Ýèðë
ÌßéëÍëëèÚ
Ýèîé
ïðððÐ
Üèðï
Óßííè
Ýèîç
ðòï
Ýèíì
ðòï
Ôèðï
êòèk
Ýèêê
ðòï
Îèéç
ïèÕ
Îèéè
îîÕ
Ýèêë
ðòï
Ýèíë
ðòï
Ýèíê
ðòï
Ýèíè
êÊïð
Ýèíé
ðòï
Ýèíç
êÊïð
Ýèíð
ìéÐ
Îèíê
ìéð
Îèíì
ïÕ
Üèðí
ïÍÍíëë
Îèíî
ïððÕ
Îèíë
ìéðð
Ýèíí
ïêÊîòî
Ýèíî
ìéððÐ
Ýèðî
ïîòëÊïë
Þì
Þë
Þê
Þé
Þï
Þî
Þí
ßï
ßî
ßí
ßì
ßîßïßì
ßí
Þé
Þê
Þë
Þì
Þí
Þî
Þï
ÞóÔ×ÒÛ
ßóÔ×ÒÛ
×Ýèðî
ÛÌîðéðÚÑÝ
Ýèðï
íòí
õ
ó
ÇñÝ Í×ÙÒßÔ ÐßÌØ
Îèèð
ð
ÌÑ ÝßÓÛÎß ÝÑÒÒÛÝÌ×ÑÒ
Îèìï
ïðð
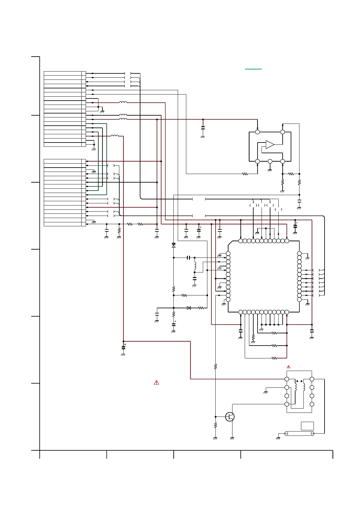
×ÓÐÑÎÌßÒÌ ÍßÚÛÌÇ ÒÑÌ×ÝÛæ
ÝÑÓÐÑÒÛÒÌÍ ×ÜÛÒÌ×Ú×ÛÜ É×ÌØ ÌØÛ ÓßÎÕ ØßÊÛ ÌØÛ
ÍÐÛÝ×ßÔ ÝØßÎßÝÌÛÎ×ÍÌ×ÝÍ ÚÑÎ ÍßÚÛÌÇò
ÉØÛÒ ÎÛÐÔßÝ×ÒÙ ßÒÇ ÑÚ ÌØÛÍÛ ÝÑÓÐÑÒÛÒÌÍô
ËÍÛ ÑÒÔÇ ÌØÛ ÍßÓÛ ÌÇÐÛò
ÒÑÌÛæÌØÛ ÓÛßÍËÎÛÓÛÒÌ ÓÑÜÛ ÑÚ ÌØÛ ÜÝ ÊÑÔÌßÙÛ ÑÒ
ÌØ×Í Ü×ßÙÎßÓ ×Í ÍÌÑÐ ÓÑÜÛ É×ÌØ ß×Ó ÌØÛ
ÝßÓÛÎß ßÌ ÌØÛ ÝÑÔÑËÎ ÝØßÎÌò
ÒÑÌÛæÜÑ ÒÑÌ ËÍÛ ßÒÇ ÐßÎÌ ÒËÓÞÛÎ ÍØÑÉÒ ÑÒ ÌØ×Í
ÍÝØÛÓßÌ×Ý Ü×ßÙÎßÓ ÚÑÎ ÑÎÜÛÎ×ÒÙò ÉØÛÒ ÇÑË
ÑÎÜÛÎ ß ÐßÎÌôÐÔÛßÍÛ ÎÛÚÛÎ ÌÑ ÐßÎÌÍ Ô×ÍÌò
ÞßÝÕ
Ô×ÙØÌ