EasyManua.ls Logo

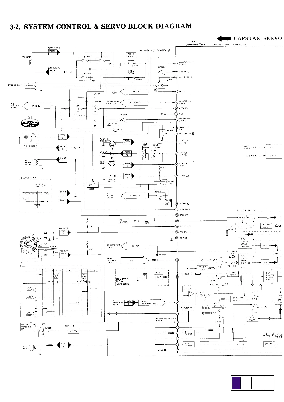
Panasonic NV-J35 - System Control and Servo Block Diagram

Panasonic NV-J35
94 pages
Print Icon
To Next Page IconTo Next Page
To Next Page IconTo Next Page
To Previous Page IconTo Previous Page
To Previous Page IconTo Previous Page
Loading...