EasyManua.ls Logo

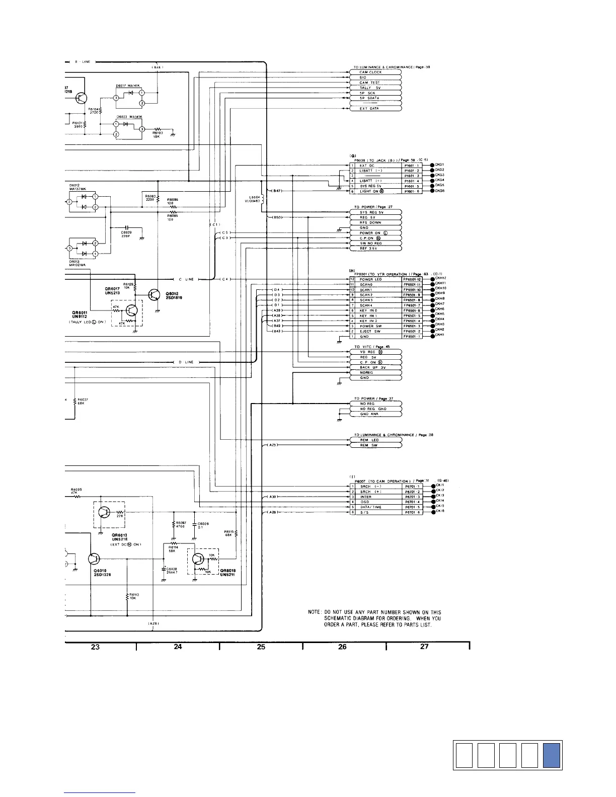
Panasonic NV-M3000 - Page 25

Panasonic NV-M3000
45 pages
Print Icon
To Next Page IconTo Next Page
To Next Page IconTo Next Page
To Previous Page IconTo Previous Page
To Previous Page IconTo Previous Page
Loading...

Related product manuals