EasyManua.ls Logo

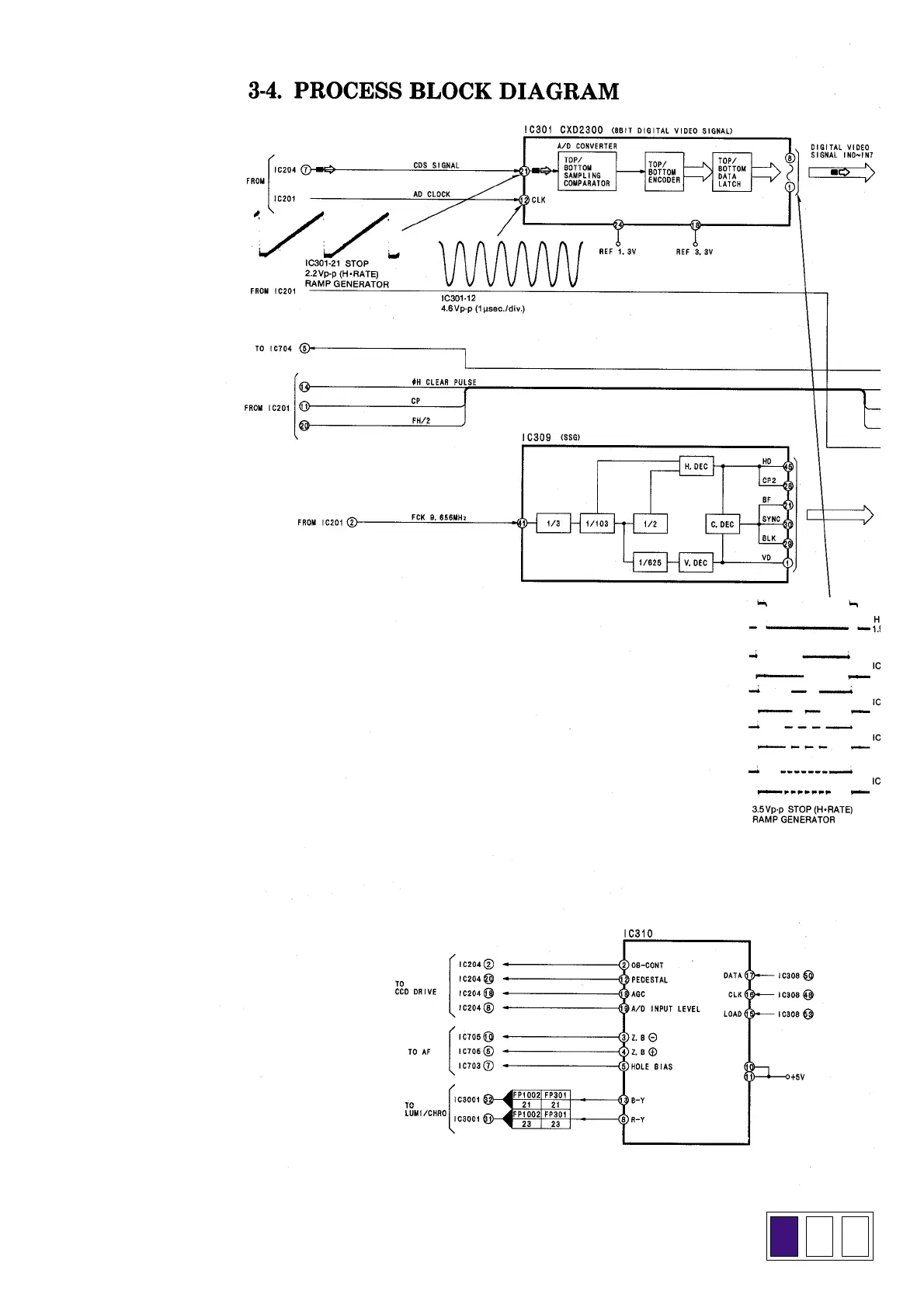
Panasonic NV-S20E - Auto Focus Schematic Diagram

Panasonic NV-S20E
104 pages
Print Icon
To Next Page IconTo Next Page
To Next Page IconTo Next Page
To Previous Page IconTo Previous Page
To Previous Page IconTo Previous Page
Loading...

Related product manuals