EasyManua.ls Logo

Panasonic RG-M79A - Dimensions; Wiring Diagram; Installation Instructions; Mount the Fan Housing

Panasonic RG-M79A
16 pages
Print Icon
To Next Page IconTo Next Page
To Next Page IconTo Next Page
To Previous Page IconTo Previous Page
To Previous Page IconTo Previous Page
Loading...
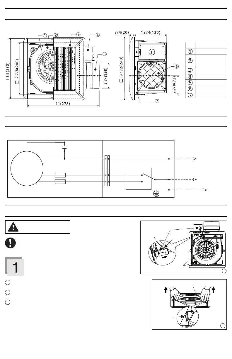
Unit: inches (mm)
Fan body Junction box
Black
Switch
I-Standard
II-Boost
Capacitor
Earth ground
Power supply
AC 120 V 60 Hz
White
Live
Neutral
Motor
White
Red
Black Black
White
Green
Yellow
Yellow
(114
o
C Fuse in motor)
Thermally-protected
(114
o
C Fuse in motor)
Thermally-protected
DIMENSIONS
Blower/motor
assembly
No.
Part name
Blade
Grille assembly
Junction box
Adaptor
Damper
Fan body
WIRING DIAGRAM
INSTALLATION INSTRUCTIONS
CAUTION
Please wear gloves during the installation work as
follows.
Mount the fan housing
Remove the 2 screws (ST4.2X8) and disconnect the molex plug connector
from the blower to the junction box.
Remove the blower/motor assembly by pressing the side tabs and carefully
sliding it out of the housing.
Affix the fan housing to the joist (joist mounting) or to the stud (wall
mounting) with 3 long screws (ST4.2X20) by affixing first 1 screw on the
bottom of the joist (joist mounting) or in front of the stud (wall mounting),
hang up the fan housing through the key hole, tighten the screw, then affix
the other 2 screws. See figures on page 5.
1
2
3
4
Claw
Rib
Plug connector
2 Screws (ST4.2X8)
1
Blower/motor assembly
2
Side tabs
Slide out
Slide out
Press side tabs
towards the
product

Related product manuals