MN677532JA
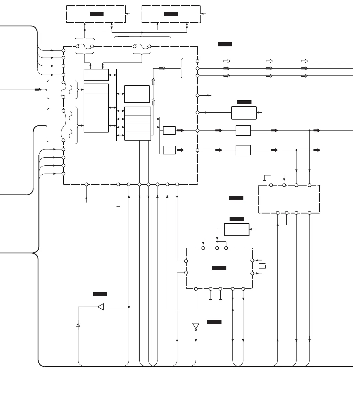
IC3001
AV DECODER
35~38,
40~43,
45~47,
49~51,
54~57,
59~62,
64~67,
69
STREAM
INTERFACE
STREAM
PARSER
AND
TIME STAMP
READER
HOST
INTERFACE
VIDEO
AND
AUDIO
DECODER
SUB-PICTURE
DECODER
VIDEO
INTERFACE
NTSC/PAL
ENCODER
AUDIO
INTERFACE
92
93
94
90 89
2~4,6~8,10
158,159,161,162,164,165,167,168,
170,171,173,175,177,178,180,181
MEMORY
INTERFACE
75~78
80~83
99
Vss/AVssVDD
+B9
1,9,34,46,63,74,
91,98,111,160,
166,172,179,184,
191,197,205
AOUT0
AOUT1
AOUT2
SRCK
LRCK
D/A
D/A
134
119
110
CLKSEL
CLK169
SCLK1
SRCK
LRCK
EXTCK
Q3084
YAMP
C AMP
Q3081
XRST
NRST
NRST5
12
TC74HCT7007A
IC6001
INTERFACE
120,
130
AV
DD
REGULATOR
PQ1R33
IC3091
AV+5V
STD0
STD7
A0~6 DQ1~15
CLK27
D6001
HCLK
33
SYSCLK
5,19,29,52,88,84,
95,102,151,157,
163,169,176,182,
186,194,200,208
X6501
(38.64MHz)
11
CLK2
9
8
XTAL
OUT
XTAL
IN
+B9
V
DD2
5,6
BU2285FV-E2
IC6501
CLOCK GENERATOR
AHC1GU04HDCK
IC6521
NOT GATE
CLK164
3
CLKA
15
A.VDD
2,14
Vss1,2
4,7
AVss
1
12
16
CLK2 IN
DC-DC
CONVERTER
MM1385ENRE
IC6551
D+5V
1
2
IN1
OUT1
IN2
OUT2
5
637
CONT2
CONT1
YDET
CDET
YSIGSEL
TC4W66FUTL
IC3003
SIGNAL CONT.
71
VSTR
70
73
AUDSTR
AVRTN
DA2
INVRG
NIOWP
32
XCS
27
XHINT
VREF B
VREF Y
116
131
XCS
XHINT
CVOL
YVOL
VRQ
72
MASTER
HA1
HA11
HD1
HD15
VY OUT
VB OUT
LVDD +B8
14,39,63,79,
87,104,105,
108,146,174,
188,202
84
V
SS
AV+5V
V
DD
VDD1
CLK331
CLK135
24
+B9 +B9
KM416S1DTG8T
IC3061
16M SDRAM
KM416S1DTG8T
IC3071
16M SDRAM