EasyManua.ls Logo

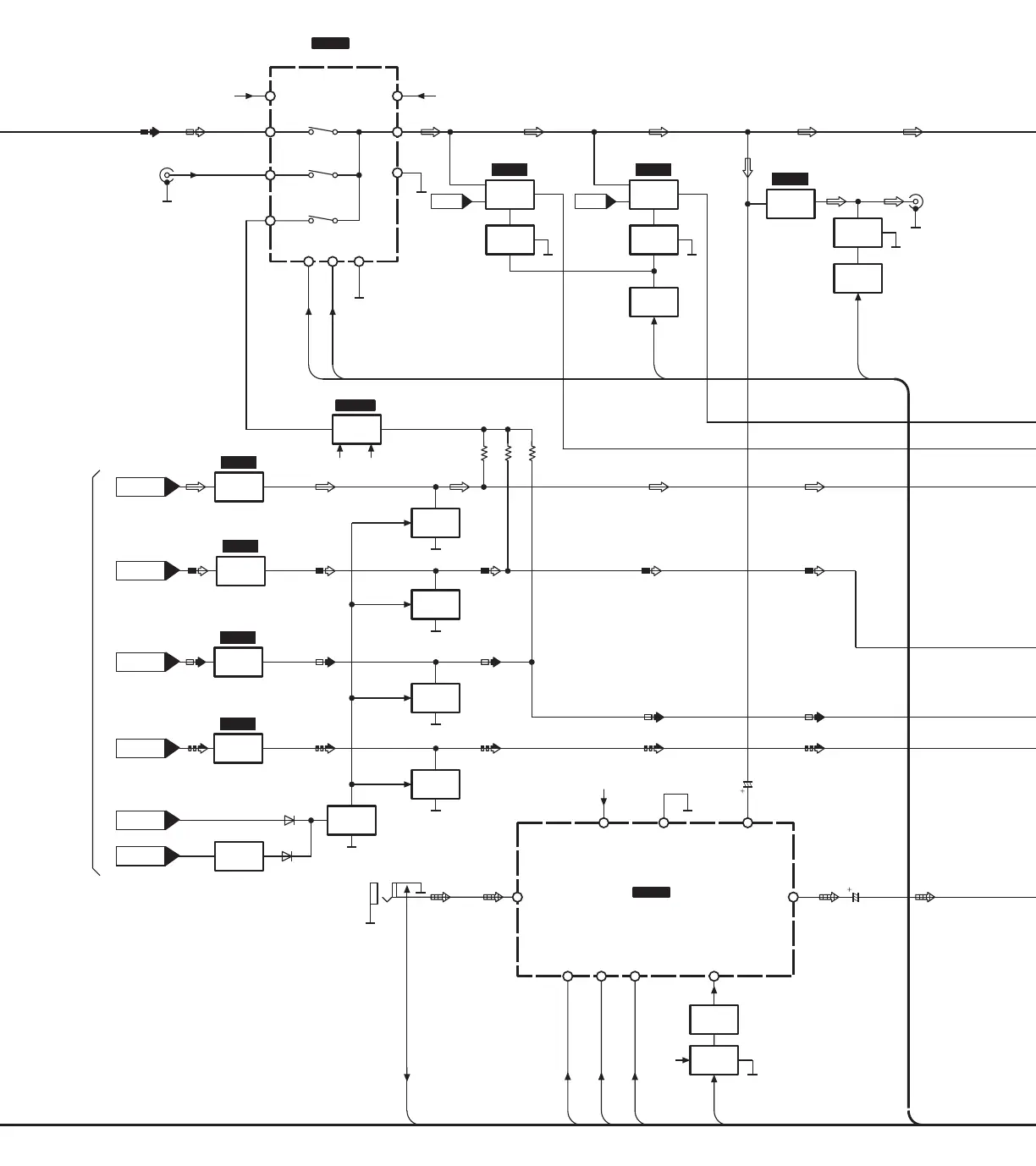
Panasonic SB-PM08 - Signal Selector and Echo Circuit Schematics; Signal Selector and Echo Circuitry Details

Panasonic SB-PM08
126 pages
Print Icon
To Next Page IconTo Next Page
To Next Page IconTo Next Page
To Previous Page IconTo Previous Page
To Previous Page IconTo Previous Page
Loading...

Related product manuals