EasyManua.ls Logo

Panasonic SE-5508 - Page 3

Panasonic SE-5508
11 pages
Print Icon
To Next Page IconTo Next Page
To Next Page IconTo Next Page
To Previous Page IconTo Previous Page
To Previous Page IconTo Previous Page
Loading...
DIAGRAM
.
FM
MPX
STABILIZER
ine
TERMINAL
GUIDE
7
|
!C30:
LA3350A
TR901
250592
FAM
RECT)
.o5?
|
d208
MA27A2
C
poo
eoue
sa
2oage
|
ee
METER
AMP
WITCHING
re
ae
=
.
=
SUP
8540
C
TR2o:
280828
30:
MAI5O
edocs
a
os
eee
RECT
aiith
SRT
i]
Ue
is
8307
3.9K
090!,
902,903,
904
VALS
AY
B83
o5bS583
Odd6b
os
je
ee
:
Eee
OE
ee
7
—%
-
C309Mo.!:
0905,906,
907,
908
L20
re
0-3
$$-3
Sea
ree
|RSS
SOK:
1OEl
—_—
;
eae
7.
2
eee
eo
REC
PLay
SwiTtH
[}{TB5dES
occas
coossoscacsDGN5]
=
EE
20.
a3..
a
@-
i
YE
E
AY
SWITCH
P§=
OS.550
Soocao
OOO
95.92.02
Labuteietn
o-oo
;
i
4
——{}+—
am
meme
eee
ae
oe
ee
ee
0302
LN28
RP
(GOTTOM
VIEW)"
"F1l
BTagT
Sv
BOuF6
SV7EVe
ss-2
$35
pane:
oe
[memes
mse
Ore
LE
et
aa
ooo
a.
One
Svi2
O'S
ave
Fy
4
Ov:0
ev.
Ov
Os
3.
$s
ae
;
-
aC:20v
4-2
lee
=.
(Nxe
+
ag
z
Vi2
V5
4v'4
8v
4
OV?
SV.
OV
OSV)
3
CR
MACOS?
,
60MZ
wa
ene
ae
Sag
3—
_
6
is
o
C3)
5
©
oroso}:
X
Cx
bd
“w=
“~~
owt:
2V2IVi
:
2.
3
wz
,
PP
DP
peat
Se
of
4
:
er
eet
Oe
oe
T10t,
L202
-—-
TZ03
=
sr
s
oF
=
rr.
“0
Se
S46
ee
eee
ee
slot
phe
eel
oe
Choate
sdias
=
eo.
ae"
oN
:
oo!
e
ma
22
A307
Om
m
nee
arr
alae
Be
SB
acéi¢g:
wzs
bea’
tie
Viens
(BOTTOM
view)
a
re
:
.
am
SD
i
aoe
Eee
eee
Ly
9308
100K
|
s3-'
#35
|
(BOTTOM
VIEW)
ie”
|
1
6
Qucznos
Rt
6.7K
R315
4.7%
1¢201,
301
TRt02,
103,
201
rere
401,
402,403
(TOR
view)
404,
405,
406
407%
408,
«09
410,
441,
$01
$02,
503,
$04
601,
602,
603
604,
30:
a
lO
oC
—<CD-
-O>-
-C
-—o
-Cch
o20t
0202
,203
080.808
090!,902
6:0!,
ce
204
463
903,904
103,208
402,403
903.906
301,408
408
7
907,908
Fy
pooner)
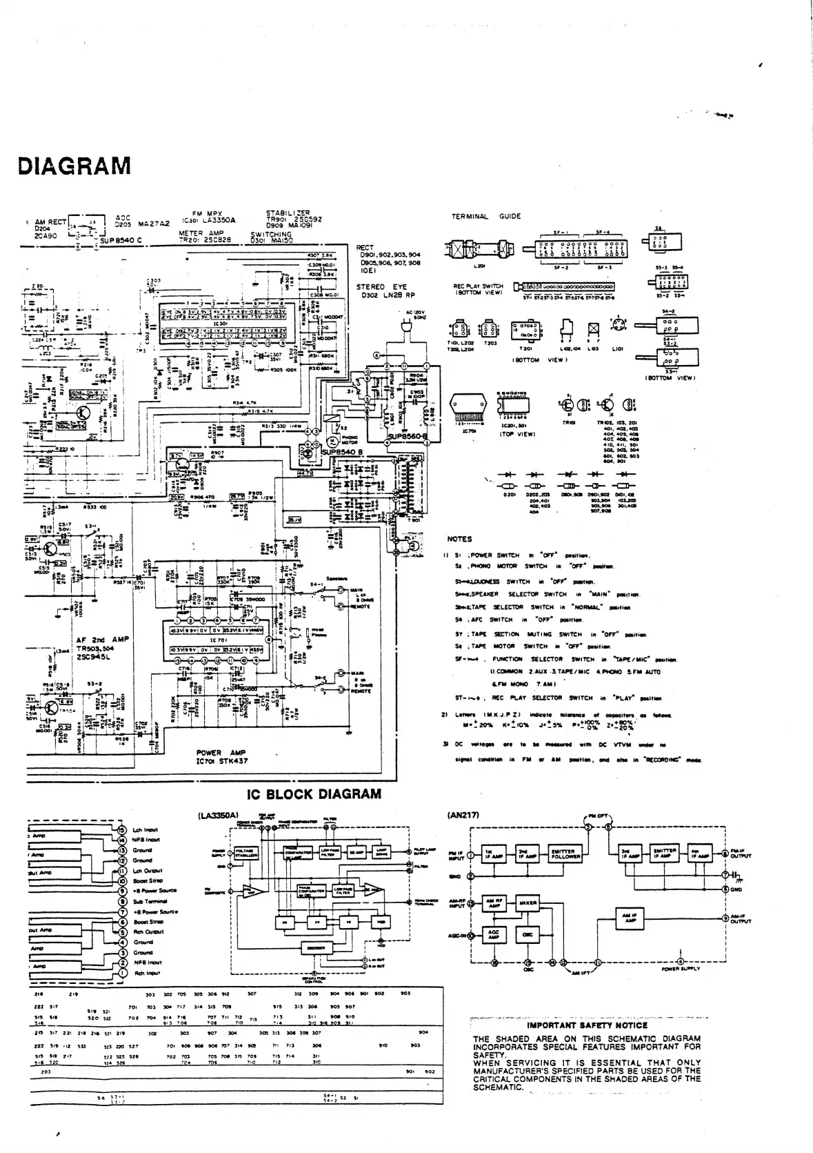
NOTES
a
=
1)
Si
:POWER
SwiTcH
in
“OFF”
pesition.
g
318
|
2
aks:
Sa
,PHONO
MOTOR
SWITCH
in
“OFF”
position.
me
pe.
sorte
=
jen
[>
mea?
mic701
S3OLOUONESS
SWITCH
in
“OFF”
postion.
:
vt
cee
re
on
ae
|
:
|
Seme.SPEAKER
SELECTOR
SwiTCH
in
“MAIN”
position.
Soe3.TAPE
SELECTOR
SWITCH
in
“NORMAL”
position.
=
=e
rods
:
OS
«
=
|
Ss
.AFC
SWITCH
in
OFF
position.
|
poSvi9evidov
|
ov
70!
t
$7?
,;
TAPE
SECTION
MUTING
SWITCH
in
“OFF”
position.
Se
,
TAPE
MOTOR
SWITCH
in
“OFF”
position.
i
AF
2nd
AMP
SF-tme
,
FUNCTION
SELECTOR
SWITCH
in
“TAPE/
MIC”
position.
(1.
COMMON
2.AUX
3
TAPE/MIC
4
PHONO
SFM
AUTO
6FM
MONO
7.4m)
ST-ine
,
REC
PLAY
SELECTOR
SWITCH
in
“PLAY”
position.
2)
Letters
(MK.J.PZ)
indicate
foleronce
of
capacitors
os
fotows.
+
+
+
+100%
5,
+80%:
Me
20%
KEL
IO%
JEL
S%
Mtl
O%
z*.
20%
.
R
OC
witeges
are
te
be
measured
with
OC
VTVM
under
no
TC7aH
STK437
signat
condition
in
FM
of
AM
position,
ond
alse
in
“RECOROING”
mode.
TEAC
RN
oe
IC
BLOCK
DIAGRAM
oap
ow
ewer
ew ee
wee
'
(4).
m
Gut
|
LL
ernnnnsammne(S)
8
ot
GUT
ame
ae
ae
wees
ee
we
ee
ow
oo
2te
29
303.
02
70S)
«305.
KOE
912
307
312-3090
908
906
«80!
902
903
222
«317
ere
Tor
73
We
717
314
SIS
=
7OS
sts
313)
308
905
«907
$13
St8
$20
$22
702
706
914
TIE
TOa7
«711
M2
3
v3
si
90@
3109
SOTA
TRA
RR
Ra
ees
ee
at
met
om
ew
tndcan
comet
te
ee
—t6
913
_
796
798
r10.
zis
21S
20
Ft
IMPORTANT
SAFETY
NOTICE
zt
$17
221
2:8
ane
521
209
302
303
907
Oe
305
313
308
SOB
307
904
THE
SHADED
AREA
ON
THIS
SCHEMATIC
DIAGRAM
222
319
iz
953
323
220
527
FO
SOR
9OR-
208
IOP
SIS
Ie
yt.
EAS
at
20
a
INCORPORATES
SPECIAL
FEATURES
IMPORTANT
FOR
$138
38
207
$22
525
528
702
TOS
7eS 7OR
315
709
TS
784
3n
SAFETY.
$16
520
$24_526
rcs
ZOs
me
pz
25
WHEN
SERVICING
IT
IS
ESSENTIAL
THAT
ONLY
203
$0:
902
MANUFACTURER'S
SPECIFIED
PARTS
BE
USED
FOR
THE
CRITICAL
COMPONENTS
IN
THE
SHADED
AREAS
OF
THE
SCHEMATIC.
=
=
ani
Pape
ftom
ts
he
te
A
Be.
at
apt
ae
acids
lhe
tn
Faia