EasyManua.ls Logo

Panasonic TC-P50C2 - Page 34

Panasonic TC-P50C2
104 pages
Print Icon
To Next Page IconTo Next Page
To Next Page IconTo Next Page
To Previous Page IconTo Previous Page
To Previous Page IconTo Previous Page
Loading...
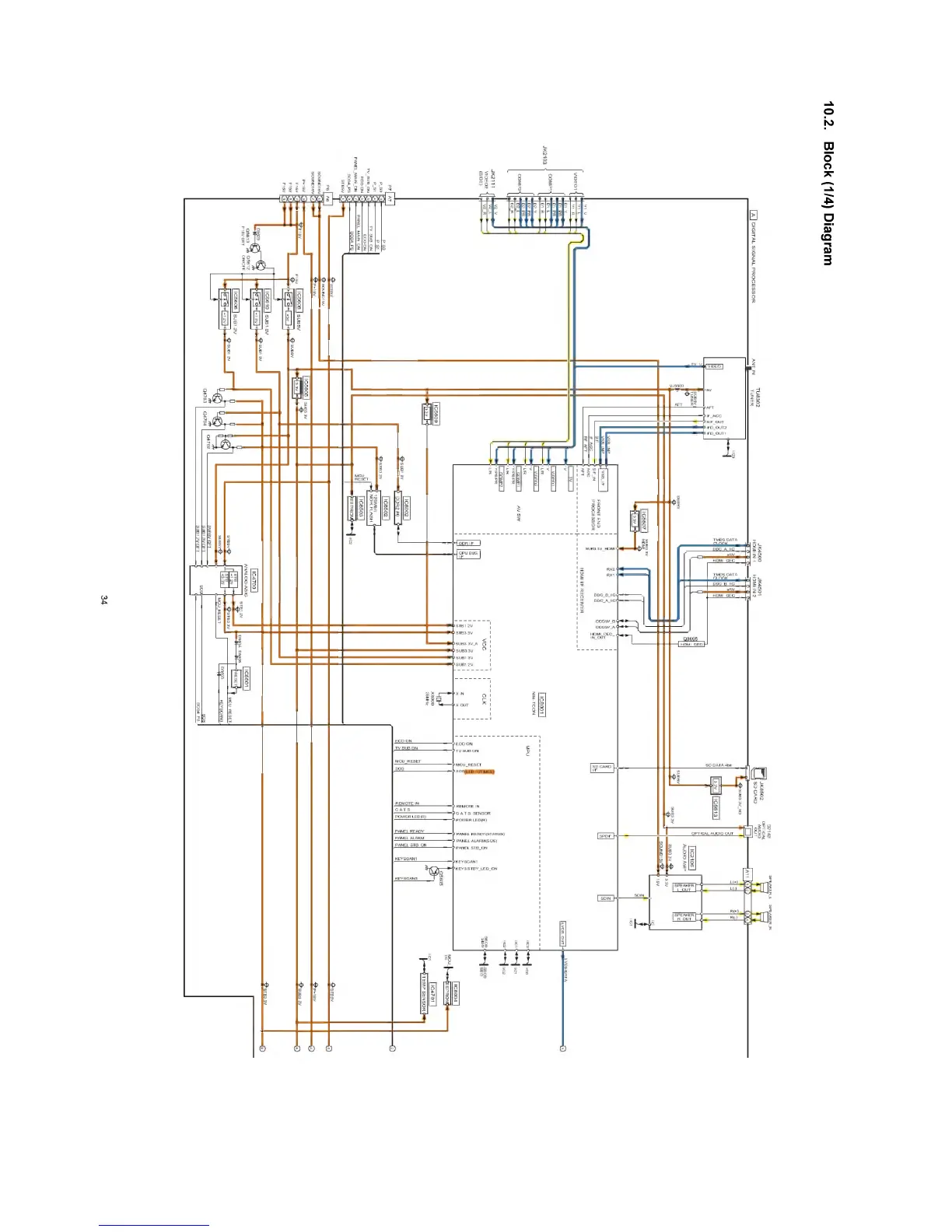
10.2. Block (1/4) Diagram

Table of Contents

Related product manuals