EasyManua.ls Logo

Panasonic TX-29PX20D - Page 29

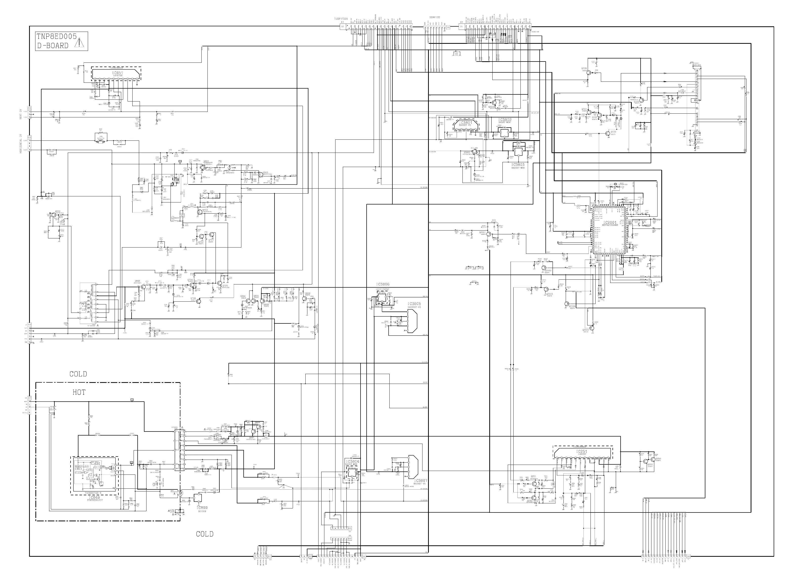
Panasonic TX-29PX20D
37 pages
Print Icon
To Next Page IconTo Next Page
To Next Page IconTo Next Page
To Previous Page IconTo Previous Page
To Previous Page IconTo Previous Page
Loading...

Related product manuals