EasyManua.ls Logo

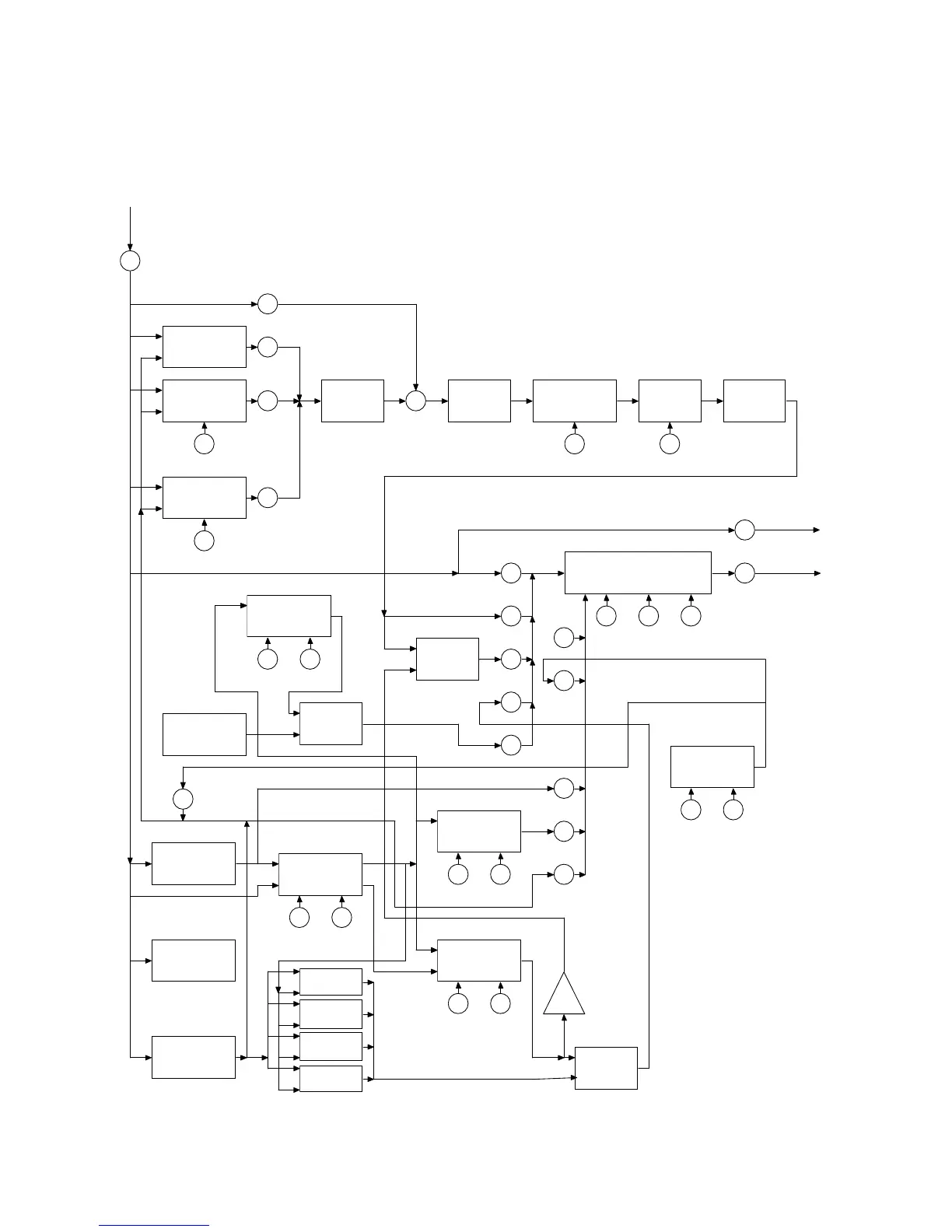
Panda-Audio Future Impact I - Algorithm Block Diagrams; Harmonizer and Distortion Signal Flow; Voltage Controlled Filter and Modulation Paths; Envelope Generators and VCO Connections

Panda-Audio Future Impact I
17 pages
Print Icon
To Next Page IconTo Next Page
To Next Page IconTo Next Page
To Previous Page IconTo Previous Page
To Previous Page IconTo Previous Page
Loading...
Page | 14
Algorithm Block Diagrams
ENVELOPE
FOLLOWER
VU METER
PITCH / V.
CONVERTER
Future Impact
A.SZALAY, 2015
HARMONIZER
1 OCT. UP
HARMONIZER
VARIABLE
DISTORTION
TRANSPOSE V2
GRADE
NOISE
GATE
BASS
VOICE1
VOICE2
HARMONIZER
VARIABLE
TRANSPOSE V3
VOICE3
FORMANT
LPF
BPF
FORMANT
EQ
TONE
INPUT LEVEL
(ANALOG)
HARMONIZER+DISTORTION
MIXER
HARM ONIZER
DISTORTION
VCF
CV
AUD
BASS
DIST
SYNTH
BASS
VCF
AD
ENV. FOLLOWER
FRQ
Q
VCA
AR.DIST
CV
AUD
VOLTAGE CONTROLLED FILTER
AUDIO
MODULATION
FILTER
PITCH FOLLOW
SLOPE
TYPE
ATTACK-DECAY
ENVELOPE
ATTACK-REL.
ENVELOPE
GATE & TRIG.
DETECTOR
VCA
G
NOTE ON.
ATTACK DECAY
ATTACK RELEASE
CV
AUD
-1
T
NOTE OFF
VCA ENVELOPE
VCF ENVELOPE
GLOBAL
OUTPUT MIX
+
VCO 4.
VCO 3.
VCO 2.
VCO 1.
ENV
CV
TO EFFECTS
TO EFFECTS
NOISE
ATTACK DECAY
NOISE ENVELOPE
VCA
CV
AUD
NOISE
GENERATOR
ATTACK-DECAY.
ENVELOPE
LFO
LFO
FREQ
DELAY
LFO VCF
LFO VCO

Other manuals for Panda-Audio Future Impact I

Related product manuals