EasyManua.ls Logo

Pasquali PowerSafe TB10 PS - Page 32

Pasquali PowerSafe TB10 PS
74 pages
Print Icon
To Next Page IconTo Next Page
To Next Page IconTo Next Page
To Previous Page IconTo Previous Page
To Previous Page IconTo Previous Page
Loading...
30
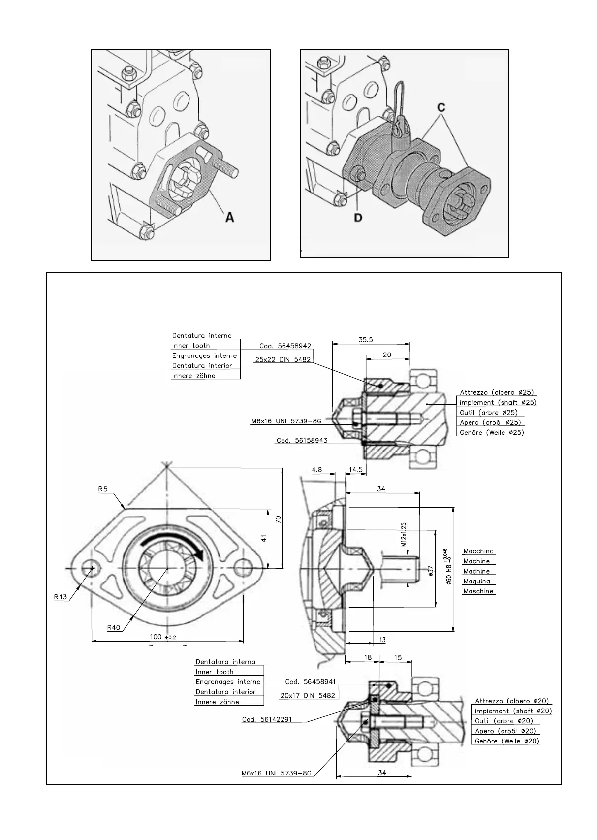
ROTAZIONE: DESTRA - ROTATION: RIGHT - ROTATION: DROITE - ROTACIÓN: DERECHA - DREHUNG: RECHT
GIRI DELLA PRESA DI FORZA - PTO's RPM - TOURS DE LA PRISE DE FORCE - GIROS DE LA TOMA DE FUERZA
DREHUNGEN DER ZAPFWELLE: 990 @ 3600/1'
Fig. 12
TB10 - SB28 - SB38 - XB40
Fig. 13
TB10 - SB28 - SB38 - XB40
fig.14

Table of Contents