EasyManua.ls Logo

Peavey PV 10 - Master Level Controls and Monitoring

Peavey PV 10
15 pages
Print Icon
To Next Page IconTo Next Page
To Next Page IconTo Next Page
To Previous Page IconTo Previous Page
To Previous Page IconTo Previous Page
Loading...
Meridian, MS 39301
Peavey Electronics Corp.
P. O. Box 2898
Sheet Title:
Title:
Sheet
Date:
of
21
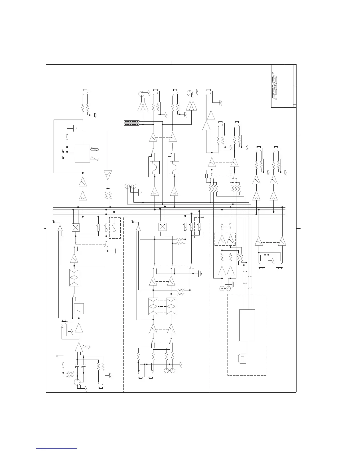
C
CONTOUR
LO HI
4
+48V
+
-
CONTOUR
LO HI
PAN
EQ
LO MID HI
EQ
LO MID HI
EQ
LO MID HI
80Hz
BALANCE
B
RIGHT
TAPE -L/R SELECT
POWER
PHANTOM
LINE
RIGHT
LEFT
XLR
TAPE OUTPUT
GLOBAL
CONTROL ROOM
TAPE TO
GAIN
EFX
EFX
LEFT/MONO
RIGHT
LEFT
SELECT
INPUT
LED METER
EFX RETURN
INSERT
3-BAND EQ
LEVEL
CLIP/MUTE
CLIP/MUTE
EFX
DIGITAL
DEFEAT
EFX
EFX
SELECTOR
RETURN
EFX
ADJUST
TIME
MUTE
CLIP/
SIGNAL
MUTE
MUTE
EFX SEND
A
A/B
LEFT
RIGHT
LOW-CUT
CHANNEL 1-6 (PV10)
MONO INPUT
CHANNEL 1-10 (PV14)
CHANNEL 1-16 (PV20)
CHANNEL 7/8 - 9/10 (PV10)
STEREO INPUT
CHANNEL 11/12 - 13/14 (PV14)
CHANNEL 17/18 - 19/20 (PV20)
MON1
MON2
MON1
MON2
EFX
MON 1 SEND
MON 2 SEND
LEFT/MONO
RIGHT
TAPE INPUT
DIGITAL AUDIO PORT
MON 1
MON 2
RIGHT
LEFT
MAIN OUTPUTS
HEADPHONES
CONTROL ROOM
USB
USB OUT
USB IN
USB MODELS ONLY
TAPE TO MIX
PV20 ONLY
PV 20 ONLY
PV 20 ONLY
2
3
1
PV14_BLOCK
6-13-2005_13:5522
#MPDL%JBHSBN17
17
17


Other manuals for Peavey PV 10

Related product manuals