EasyManua.ls Logo

Peavey XR 696 - Page 9

Peavey XR 696
40 pages
Print Icon
To Next Page IconTo Next Page
To Next Page IconTo Next Page
To Previous Page IconTo Previous Page
To Previous Page IconTo Previous Page
Loading...
9
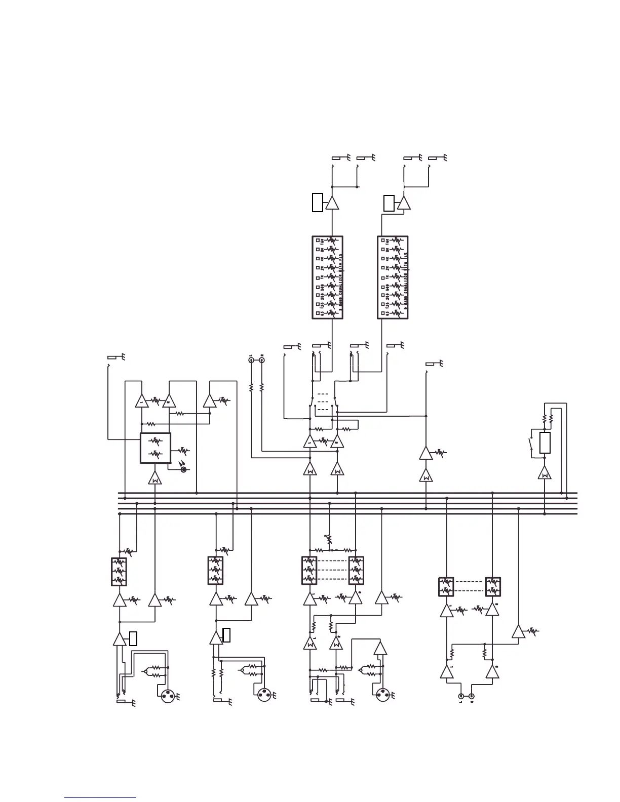
CHANNELS 1-4
HI-Z INPUT
MIC PREAMP
PAD
TONE CONTROL
LO MIDHI
+48V Phantom
LO-Z INPUT
CHANNELS 5-6
LINE INPUT
MIC PREAMP
+48V Phantom
LO-Z INPUT
MONITOR SEND
CHANNEL GAIN
EFX LEVEL
TONE CONTROL
CHANNEL GAIN
EFX LEVEL
MONITOR SEND
CHANNELS 7-8
STEREO LINE INPUT
LEFT/
MONO
RIGHT
+48V Phantom
LO-Z INPUT
MIC PREAMP
CHANNEL 9 (TAPE)
TAPE/CD
INPUT
TONE CONTROL
LO HI
CHANNEL GAIN
LO HI
LO M I D HI
TONE CONTROL
LO M I D HI
CHANNEL GAIN
LO M I D HI
Monitor Send
Low Cut
(80 Hz)
Monitor
Master
Monitor Output
Right Main Output
Right Power Amp Input
Right/Main
Power Amp
Power Amp
DDT
Left/Monitor
Power Amp Out
Bridge Out
Left/Monitor
Power Amp Out
DDT
Left/Monitor
Left Power Amp Input
Mode Select
Left/Mono Main Output
Tape Out
Effects to
Monitor
Effects
Selector
Peak
LED
Time
Color
Effects to Main
Stereo
Digital
Effects
Effect Defeat
210 WATTS PER CHANNEL • 4 OHMS
150 WATTS PER CHANNEL • 8 OHMS
BRIDGE 420 WATTS • 8 OHMS
Mon Send
EFX LEVEL
1-6 BUS
MON BUS
EFX BUS
LEFT BUS
RIGHT BUS
PAD
XR
®
696 BLOCK DIAGRAM
600 WATTS PER CHANNEL (PROGRAM) • 4 OHMS
475 WATTS PER CHANNEL (PROGRAM) • 8 OHMS
Right/Main
Power Amp Out

Related product manuals