EasyManua.ls Logo

PeerlessBoilers EC Series - Page 13

PeerlessBoilers EC Series
27 pages
Print Icon
To Next Page IconTo Next Page
To Next Page IconTo Next Page
To Previous Page IconTo Previous Page
To Previous Page IconTo Previous Page
Loading...
11
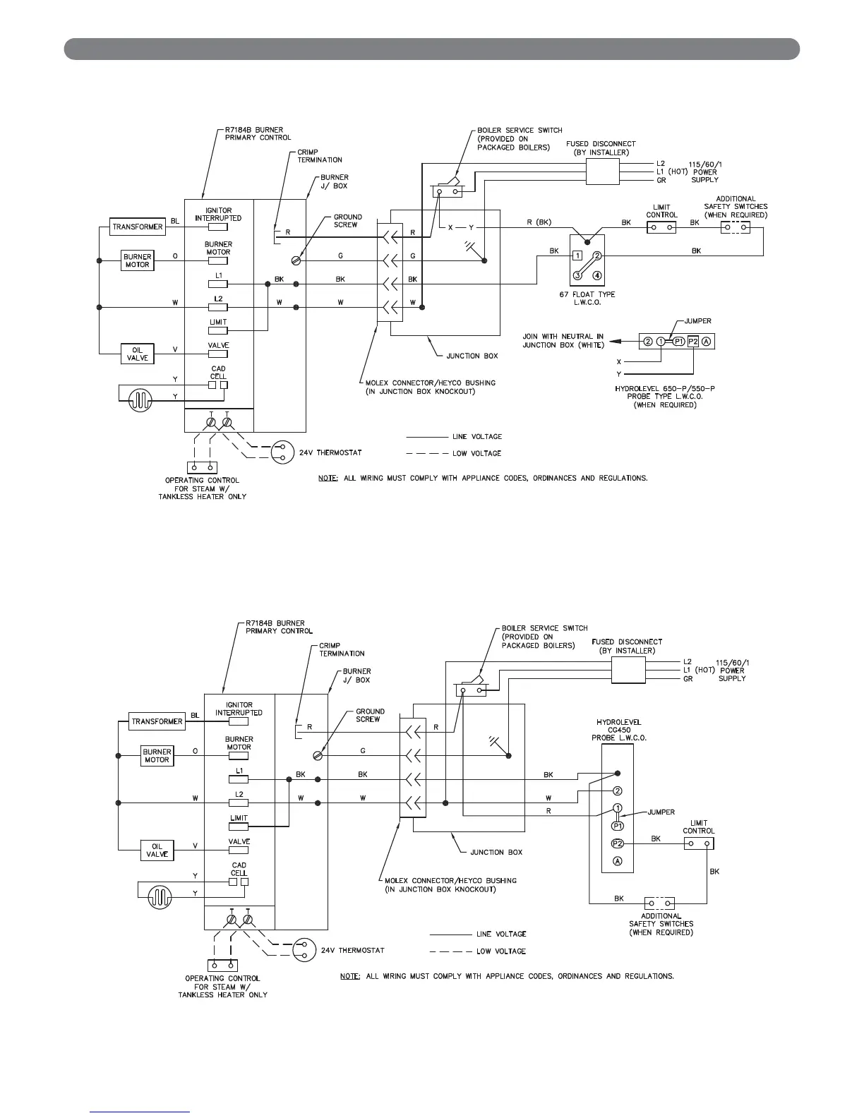
Figure 4.3: Steam Boiler with Probe Low Water Cut-Off
Figure 4.2: Steam Boiler with Float Low Water Cut-Off
ELECTRICAL

Related product manuals