EasyManua.ls Logo

PeerlessBoilers EC Series - Page 14

PeerlessBoilers EC Series
27 pages
Print Icon
To Next Page IconTo Next Page
To Next Page IconTo Next Page
To Previous Page IconTo Previous Page
To Previous Page IconTo Previous Page
Loading...
12
ELECTRICAL
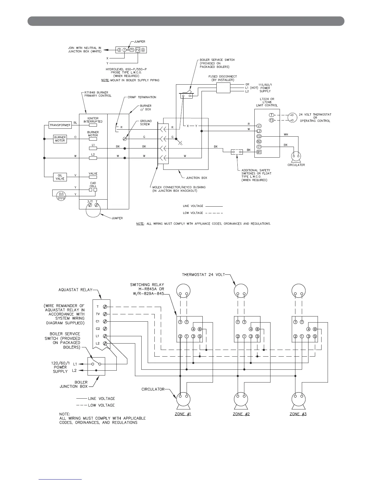
Figure 4.5: Zoning with Circulators
Figure 4.4: Water Boilers

Related product manuals