EasyManua.ls Logo

PELLET PRO 440 - Page 4

PELLET PRO 440
13 pages
Print Icon
To Next Page IconTo Next Page
To Next Page IconTo Next Page
To Previous Page IconTo Previous Page
To Previous Page IconTo Previous Page
Loading...
4
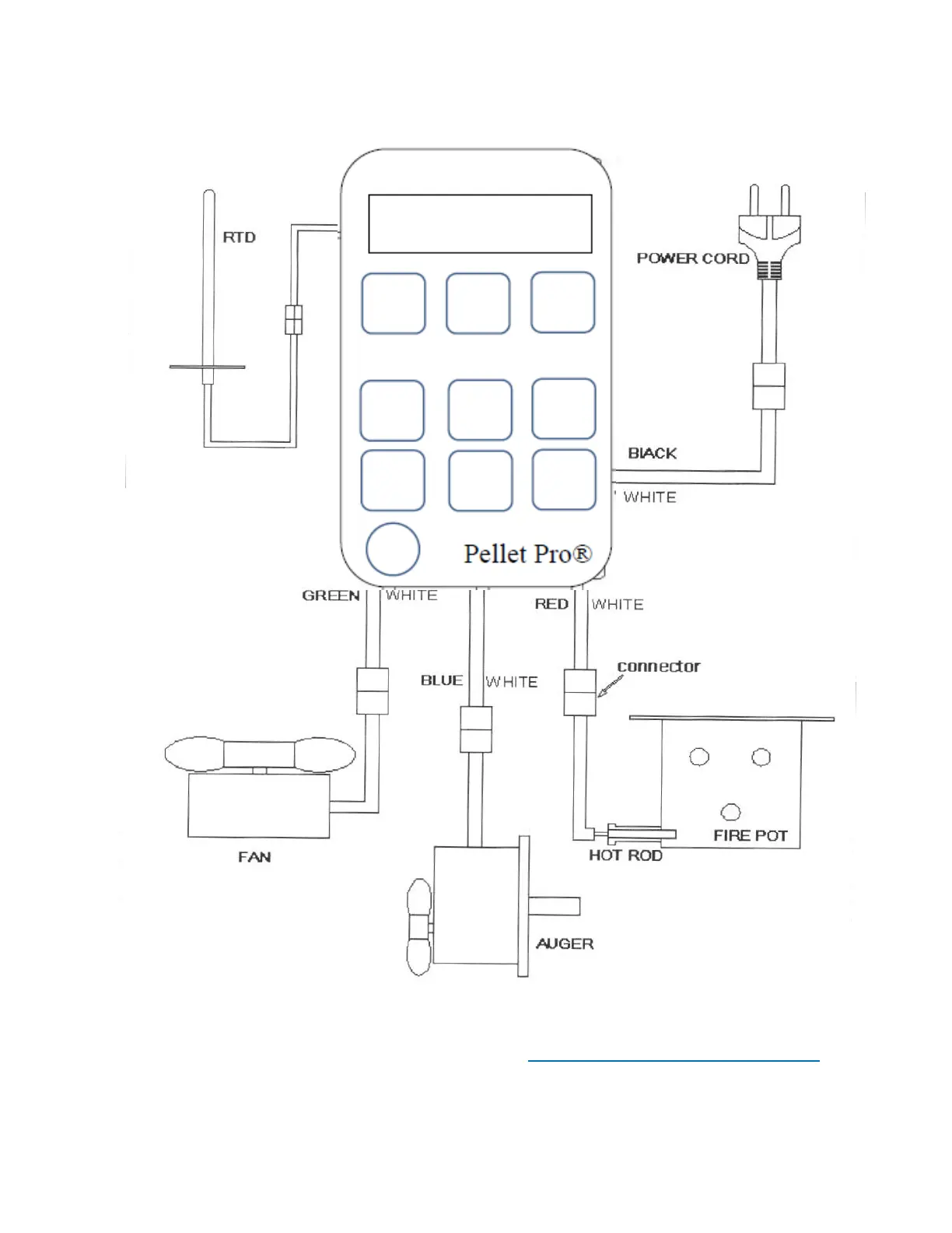
Pellet Pro® Digital Controller Diagram
Operating Voltage: AC100V ± 10%, 50-60Hz
Fuse: 5A glass fuse
Operating Temperature: -15 ~ 70°C
Storage Temperature: -30 ~ 70°C
Humidity: 0 ~ 95% RH
To view a video on how to operate the
controller, go to
www.smokedaddyinc.com/controllers