EasyManua.ls Logo

Pfaff 212 - Page 7

Pfaff 212
23 pages
Print Icon
To Next Page IconTo Next Page
To Next Page IconTo Next Page
To Previous Page IconTo Previous Page
To Previous Page IconTo Previous Page
Loading...
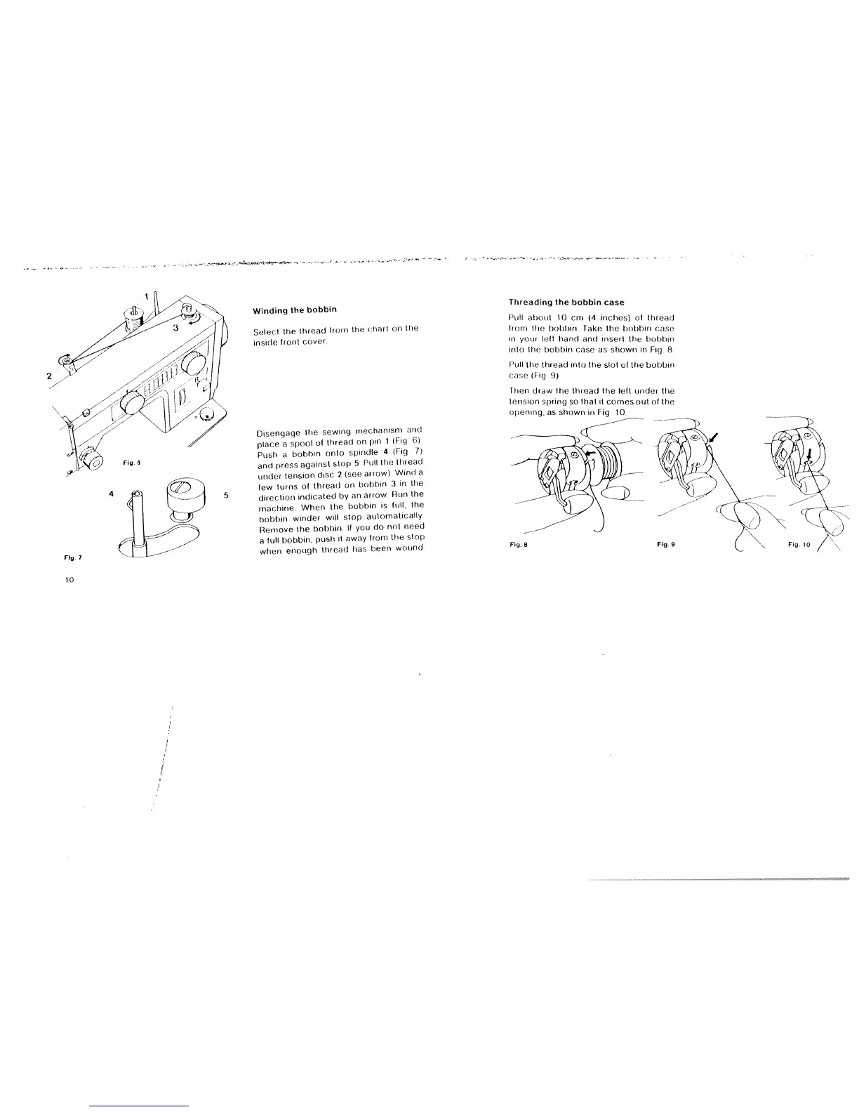
Winding
the
bobbin
Threading
the
bobbin
case
PuW
about
10
cm
(4
inches)
of
thread
ti
om
the
bobbin
Take
the
bobbin
case
in
your
left
hand
and
insert
the
bobbin
into
the
bobbin
case
as
shown
in
Fig
8
Pull
the
I
hread
into
the
slot
of
the
bobbin
case
(Fig
9)
Then
draw
fh
thread
the
left
under
the
tension
spring
so
that
it
comes
out
of
the
opening,
as
shown
in
Fig
10
Select
the
thread
from
the
chart
on
the
inside
front
cover
Disengage
the
sewing
mechanism
and
place
a
spool
of
thread
on
pin
1
(Fig
0)
Push
a
bobbin
onto
spindle
4
(Fig
7)
and
press
against
stop
5
Pull
the
thread
under
tension
disc
2
(see
arrow)
Wind
a
few
turns
of
thread
on
bobbin
3
in
the
direction
indicated
by
an
arrow
Run
the
machine,
iIhen
the
bubbin
is
lull,
the
bobbin
winder
will
stop
automatically
Remove
the
bobbin
If
you
do
not
need
a
full
bobbin,
push
it
away
troni
the
stop
when
enough
thread
has
been
wound
10
Fig.
6

Related product manuals