EasyManua.ls Logo

Phase 3 TR Series - Water Heater Start-Up; Filling the Water Heater Tanks

Default Icon
33 pages
Print Icon
To Next Page IconTo Next Page
To Next Page IconTo Next Page
To Previous Page IconTo Previous Page
To Previous Page IconTo Previous Page
Loading...
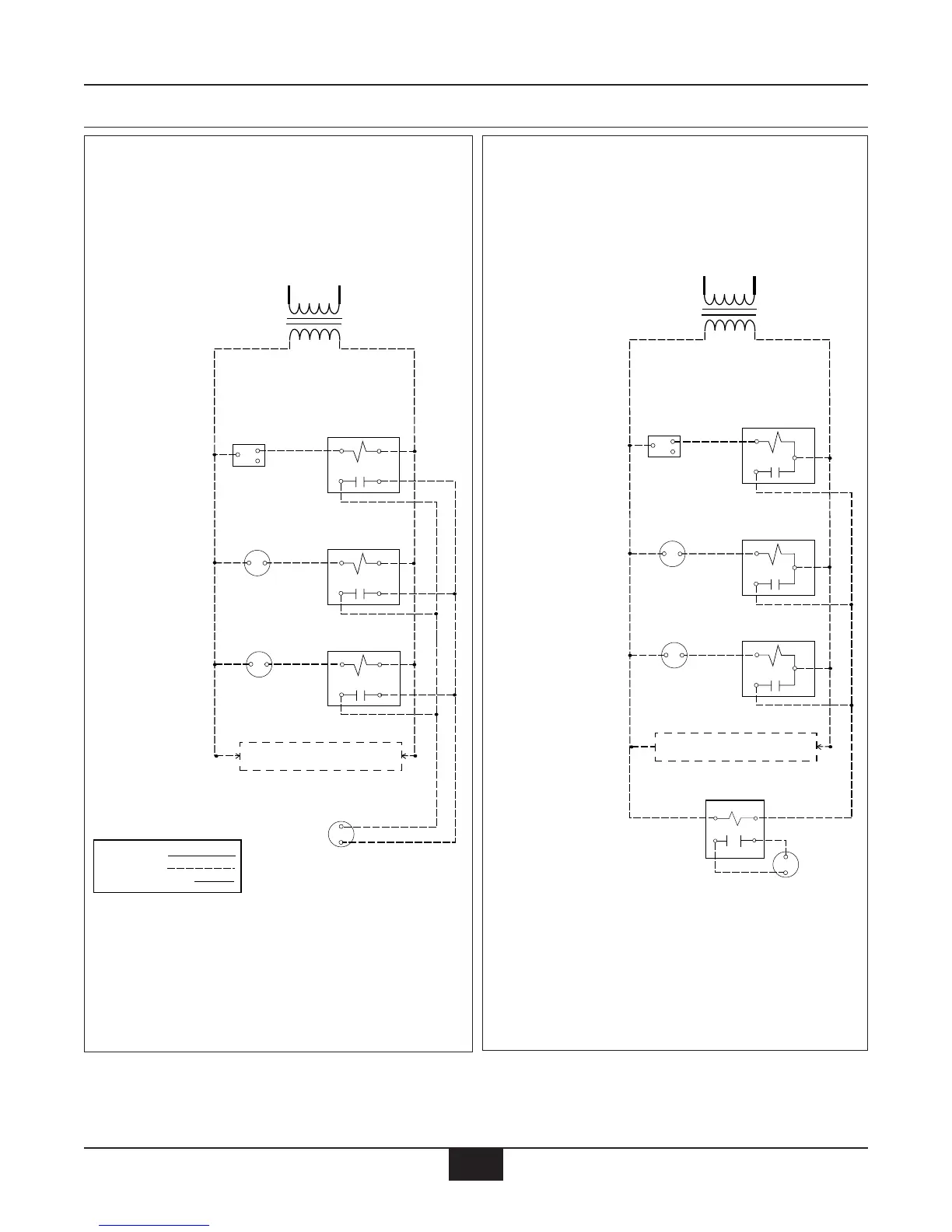
Phase III
®
H
H
High Voltage
120
V.A.C.
24
V.A.C.
Room
Thermostat
Room
Thermostat
Zone 1
Zone 2
Additional zones
Additional zones may
be added as shown above
Transformer
(Power)
Zone Valve
Zone Valve
Zone Valve
1
2C
Water Heater
Thermostat
Snap-Set
Water
Heater
Zone
*Isolation Relay
Boiler
Thermostat
Terminals
* Use isolation relay on
3-wire zone valves with
non-isolated end switches.
Transformer and boiler
control can burn out if
isolation relay is not used
17
Typical 3-wire Zone Valve Zoning,
without Domestic Priority
Installation - Wiring
H
H
High Voltage
120
V.A.C.
24
V.A.C.
Room
Thermostat
Room
Thermostat
Zone 1
Zone 2
Additional zones
Additional zones may
be added as shown above
Transformer
(Power)
Zone Valve
Zone Valve
Zone Valve
1
2C
Water Heater
Thermostat
Snap-Set
Water
Heater
Zone
Boiler
Thermostat
Terminals
High Voltage
Low Voltage
Boiler Low Voltage
Typical 4-wire Zone Valve Zoning,
without Domestic Priority
Fig. 14:
Fig. 15:

Related product manuals