EasyManua.ls Logo

Philips 22RC026/00 - Circuit Diagrams (Continued); Circuit Diagram 2;3

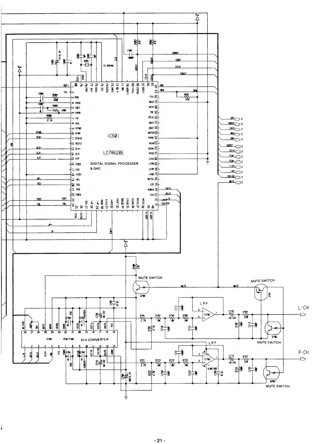
Philips 22RC026/00
39 pages
Print Icon
To Next Page IconTo Next Page
To Next Page IconTo Next Page
To Previous Page IconTo Previous Page
To Previous Page IconTo Previous Page
Loading...
I
Ne
Pit
TTT
52s
ae
ORF
—,
2
SQouT
2
cae
BO
[C60
|
Die
C_t2
LC78620E
ease
eae
fae
Foe)
2
DIGITAL
SIGNAL
PROCESSER
+1
2
&
DAC
+8V¥
2
|
S
|
DF
2
MIE
2
ve
£2
ee
le
@
GI Bi
Zi
MUTE
SWITCH
MUTE
SWITCH
he
9
I$
I?
{6
POM?
18u
D/A
CONVERTER
MUTE
SWITCH
-21-
MUTE
SWITCH
L=Ch

Related product manuals