EasyManua.ls Logo

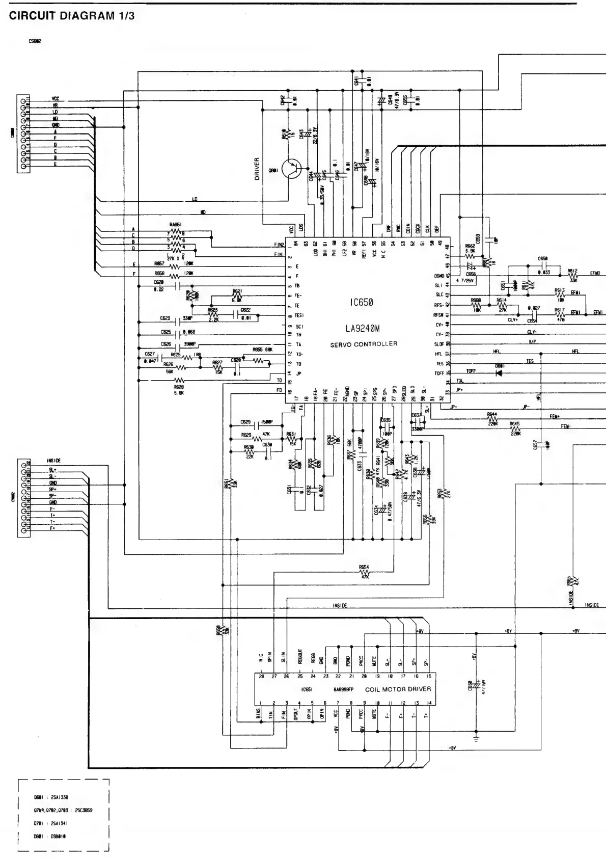
Philips 22RC026/00 - Circuit Diagrams (Continued); Circuit Diagram 1;3

Philips 22RC026/00
39 pages
Print Icon
To Next Page IconTo Next Page
To Next Page IconTo Next Page
To Previous Page IconTo Previous Page
To Previous Page IconTo Previous Page
Loading...
CIRCUIT
DIAGRAM
1/3
ig
_&
:
OD
DRIVER
|
ie
ts
ioe
3)
i
ena
nee
LAI24OM
SERVO
CONTROLLER
RG
=,
NSD
=
a
2
23 22
el
20
9
1g
'7
6
{5
SL
EN
pasgesFP
=
COIL
MOTOR
DRIVER
[Po
O68!
:
25/338
|
076%,
0702,0783
:
253859
|
Q7@!
:
25A1341