EasyManua.ls Logo

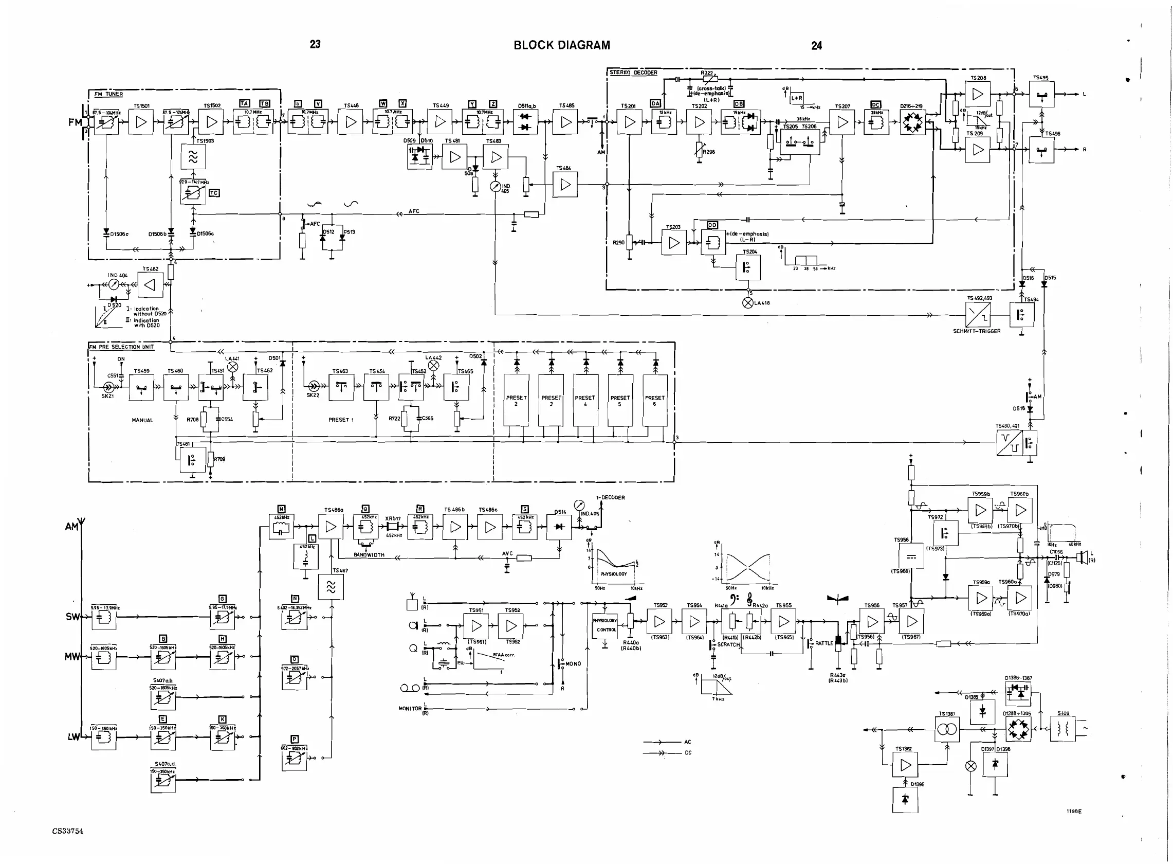
Philips 22RH720 - Block Diagram

Philips 22RH720
36 pages
Print Icon
To Next Page IconTo Next Page
To Next Page IconTo Next Page
To Previous Page IconTo Previous Page
To Previous Page IconTo Previous Page
Loading...

Related product manuals