EasyManua.ls Logo

Philips 27G7 - Page 75

Philips 27G7
296 pages
Print Icon
To Next Page IconTo Next Page
To Next Page IconTo Next Page
To Previous Page IconTo Previous Page
To Previous Page IconTo Previous Page
Loading...
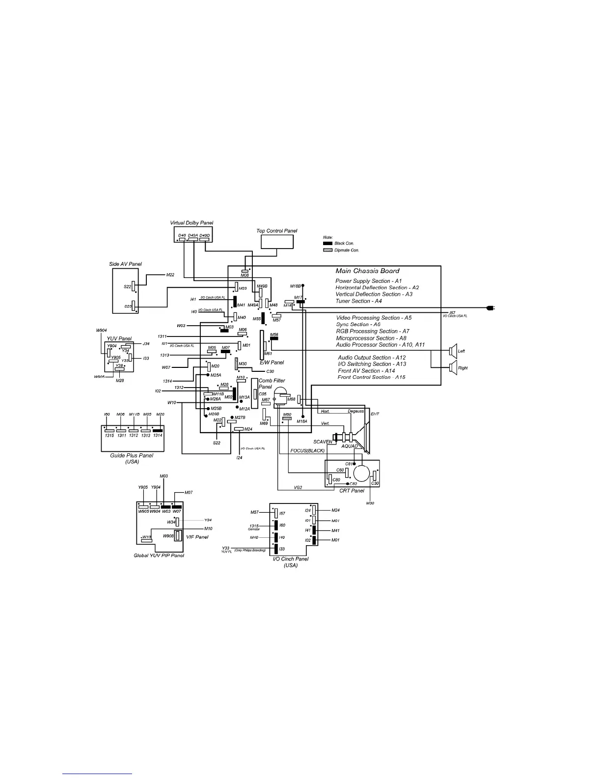
All Models (7585) - WIRING DIAGRAM

Related product manuals