EasyManua.ls Logo

Philips 32PFH4100/88 - Page 106

Philips 32PFH4100/88
150 pages
Print Icon
To Next Page IconTo Next Page
To Next Page IconTo Next Page
To Previous Page IconTo Previous Page
To Previous Page IconTo Previous Page
Loading...
EN 106TPN15.1E LA 10.
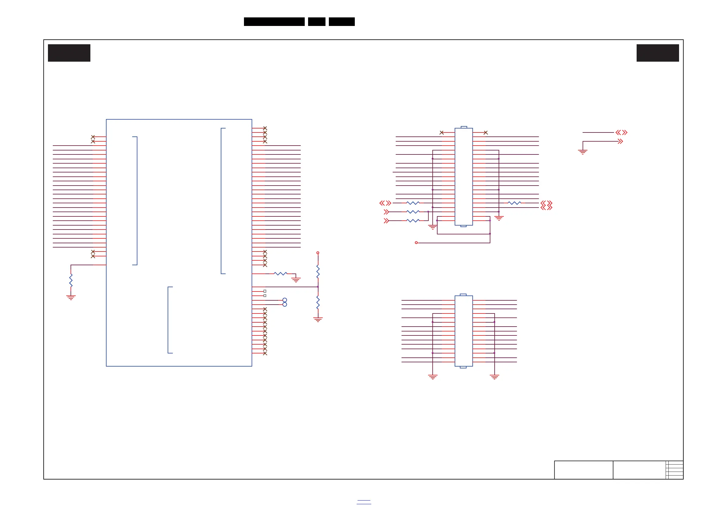
Circuit Diagrams and PWB Layouts
2015-Oct-20
back to
div.table
10-8-2 NT71912-2 LVDS OUT
19792_501.eps
NT71912-2 LVDS OUT
O02 O02
2014-11-11
4
715G7048NT71912-2 LVDS OUT
2D_3D_SEL2,6
NTTX-BECLKP
NTTX-BECLKN
LVDS_Format2
NTTX-BO1P
NTTX-AE1P
NTTX-AE1N
NTTX-AE2P
NTTX-AE2N
NT-3D-LR 2
3V3_SW
3V3_SW 2,4,6,7
TP42
NTTX-AO0P
NTTX-AO0N
BS3
NTTX-BE3P
NTTX-BE3N
3D-GOGGLES2,6
NTTX-BO1N
TP41
NTTX-AECLKP
NTTX-AECLKN
NTTX-AE3P
NTTX-AE3N
CN438
CONN
2
4
6
8
10
12
14
16
18
20
22
24
26
28
30
32
34
36
38
40
42
1
3
5
7
9
11
13
15
17
19
21
23
25
27
29
31
33
35
37
39
41
NTTX-AO1P
NTTX-AO2P
NTTX-AO2N
NTTX-AO1N
CN409
CONN
2
4
6
8
10
12
14
16
18
20
22
24
26
28
30
1
3
5
7
9
11
13
15
17
19
21
23
25
27
29
NTTX-BE4P
NTTX-BE4N
NTTX-BOCLKP
NTTX-BOCLKN
NTTX-BO2P
NTTX-BO2N
NT71912-2
COMBO_TX_1COMBO_TX_2
CTG
U402B
NT71912MBG
REXT1
C9
ML1OUT0_P
B3
ML1OUT0_N
A2
ML1OUT1_P
B4
ML1OUT1_N
A3
ML1OUT2_P
C4
ML1OUT2_N
A4
ML1OUT3_P
C6
ML1OUT3_N
C5
ML1OUT4_P
A6
ML1OUT4_N
B6
ML1OUT5_P
A7
ML1OUT5_N
B7
ML1OUT6_P
C8
ML1OUT6_N
C7
ML1OUT7_P
A9
ML1OUT7_N
B9
ML1OUT8_P
A10
ML1OUT8_N
B10
ML1OUT9_P
C11
ML1OUT9_N
C10
ML1OUT10_P
B12
ML1OUT10_N
C12
ML1OUT11_P
B13
ML1OUT11_N
A12
ML1OUT12_P
C13
ML1OUT12_N
A13
ML1OUT13_P
C15
ML1OUT13_N
C14
ML1OUT14_P
A15
ML1OUT14_N
B15
ML1OUT15_P
A16
ML1OUT15_N
B16
POL1(BCLC)/XPOL/REV/GPIOC_11(BS3)
H5
TP1(CRD)(BCLD)/XSTB/LS_L/GPIOC_12
J6
GPO/XSFT/LS_R/GPIOC_13
J5
POL2/SYNC/FS/GPIOC_14
J4
CKV(CK1)/YCLK(CK)/GCK_L/GPIOC_15
K6
CK2/GOP/GCK_R/GPIOD_0
K4
OE1(CK3)/YOE/GOE_L/GPIOD_1
K5
OE2(CK4)/GOP/GOE_R/GPIOD_2
L6
STV/YDIO1(ST)/GSP1/GPIOD_3
L5
STV_LCS/YDIO2/GSP2/GPIOD_4
M6
DISCH/VOE/G_LBR/GPIOD_5
M5
DISCH_LCS/LC/G_LBR_INV/GPIOD_6
M4
GVON/GPO3/GPO3//GPIOD_7
N6
GVOFF/YV1C/GSLOP/GPIOD_8
N4
CK5/GPO4/CS1/GPIOD_9
N5
CK6/GPO5/CS2/GPIOD_10
P6
ML2OUT0_P
P2
ML2OUT0_N
P3
ML2OUT1_P
N3
ML2OUT1_N
M3
ML2OUT2_P
M1
ML2OUT2_N
M2
ML2OUT3_P
L1
ML2OUT3_N
L2
ML2OUT4_P
L3
ML2OUT4_N
K3
ML2OUT5_P
J2
ML2OUT5_N
J1
ML2OUT6_P
H1
ML2OUT6_N
H2
ML2OUT7_P
H3
ML2OUT7_N
G3
ML2OUT8_P
F3
ML2OUT8_N
F1
ML2OUT9_P
F2
ML2OUT9_N
E1
ML2OUT10_P
E2
ML2OUT10_N
E3
ML2OUT11_P
D3
ML2OUT11_N
C3
ML2OUT12_P
C1
ML2OUT12_N
C2
ML2OUT13_P
B1
ML2OUT13_N
B2
REXT2
J3
NTTX-AE4P
NTTX-AE4N
GND 2,4,5,6,7
+VDISP
R458
NC/100R 1/16W 5%
R453
NC/100R 1/16W 5%
NTTX-BO3N
NTTX-BE0N
NTTX-BECLKN
NTTX-BE2N
NTTX-BO1N
NTTX-BO2N
NTTX-BE1N
NTTX-BE4N
NTTX-BE3N
NTTX-BO4N
NTTX-BO0N
NTTX-BOCLKN
NTTX-BE2P
NTTX-BO4P
NTTX-BECLKP
NTTX-BOCLKP
NTTX-BO1P
NTTX-BO3P
NTTX-BE0P
NTTX-BE4P
NTTX-BE3P
NTTX-BE1P
NTTX-BO2P
NTTX-BO0P
NTTX-AO0PNTTX-AO0N
NTTX-AO1PNTTX-AO1N
NTTX-AO2N NTTX-AO2P
NTTX-AOCLKN
NTTX-AO3N
NTTX-AO4N
NTTX-AE0N
NTTX-AE1N
NTTX-AE2N
NTTX-AECLKN
NTTX-AE3N
NTTX-AE4N
NTTX-AOCLKP
NTTX-AO3P
NTTX-AO4P
NTTX-AE0P
NTTX-AE1P
NTTX-AE2P
NTTX-AECLKP
NTTX-AE4P
NTTX-AE3P
NTTX-AOCLKP
NTTX-AOCLKN
NTTX-AO3P
NTTX-AO3N
R456
NC/100R 1/16W 5%
NTTX-BO4P
NTTX-BO4N
NTTX-BE1P
NTTX-BE1N
NTTX-BE0P
NTTX-BE0N
NTTX-BO3P
NTTX-BO3N
R457
NC/100R 1/16W 5%
R455
12K 1% 1/16W
R454
12K 1% 1/16W
NTTX-BO0P
NTTX-AO4P
NTTX-AE0P
NTTX-AE0N
NTTX-AO4N
R412
NC/10K 1/16W 5%
3V3_SW
R419
10K 1/16W 5%
NTTX-BE2P
NTTX-BE2N
LR_SYNC_IN 2,6
NTTX-BO0N

Table of Contents

Other manuals for Philips 32PFH4100/88

Related product manuals