EasyManua.ls Logo

Philips 32PFH4100/88 - Page 54

Philips 32PFH4100/88
150 pages
Print Icon
To Next Page IconTo Next Page
To Next Page IconTo Next Page
To Previous Page IconTo Previous Page
To Previous Page IconTo Previous Page
Loading...
IC Data Sheets
EN 54 TPN15.1E LA8.
2015-Oct-30
back to
div. table
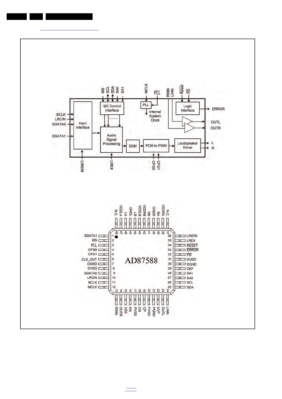
8.6 Diagram 10-7-11 SPK AMP/HP OUT, B11, AD87588 (IC U601)
Figure 8-6 Internal block diagram and pin configuration
19790_301.eps
Block diagram
Pinning information
AD87588

Table of Contents

Other manuals for Philips 32PFH4100/88

Related product manuals