EasyManua.ls Logo

Philips 32PFK4100/12 - Page 53

Philips 32PFK4100/12
150 pages
Print Icon
To Next Page IconTo Next Page
To Next Page IconTo Next Page
To Previous Page IconTo Previous Page
To Previous Page IconTo Previous Page
Loading...
IC Data Sheets
EN 53TPN15.1E LA 8.
2015-Oct-30
back to
div. table
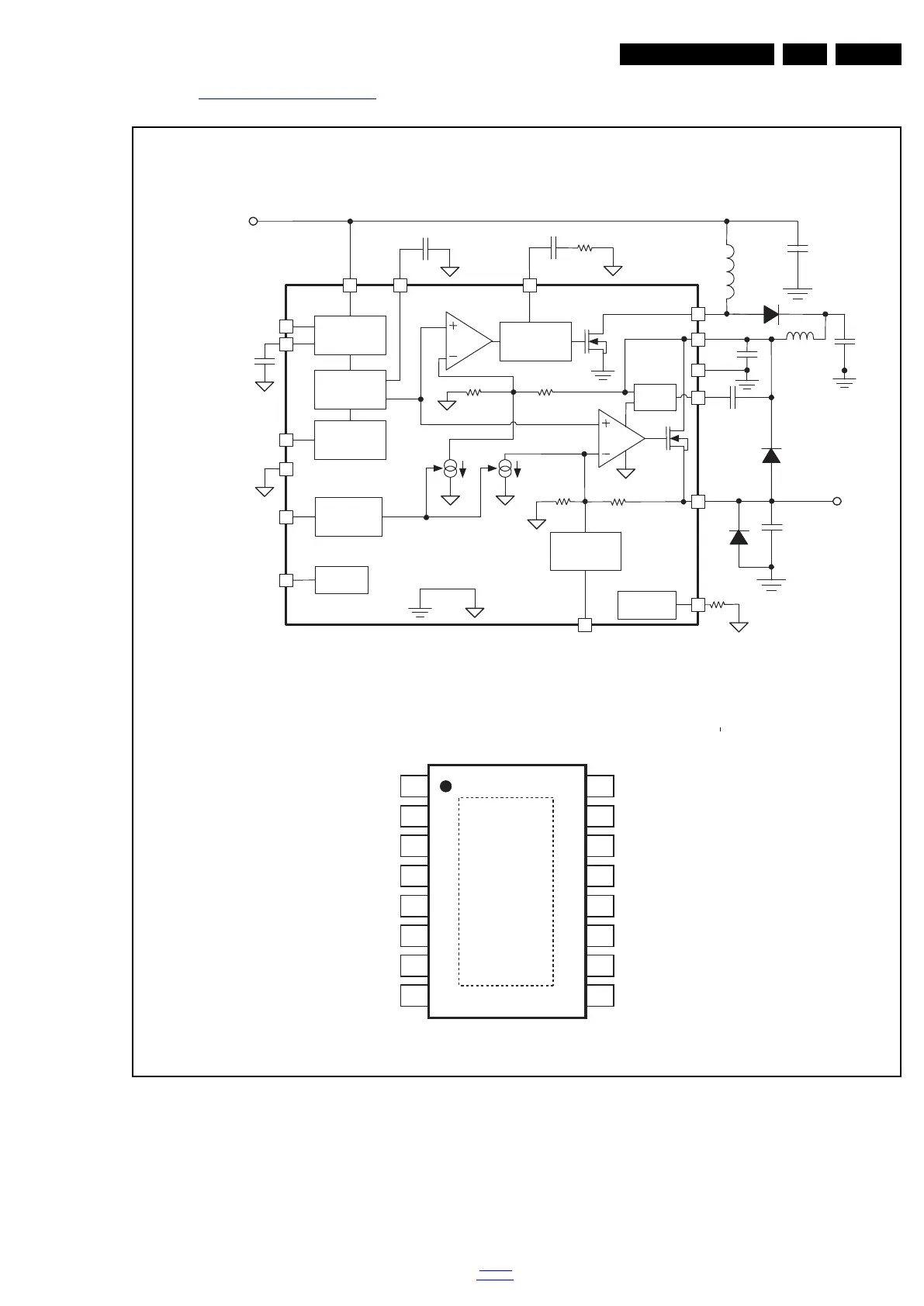
8.5 Diagram 10-7-10 Tuner/T2 demod, B10, MP8126DF (IC U202)
Figure 8-5 Internal block diagram and pin configuration
19790_304.eps
Block diagram
Pinning information
MP8126DF
SGND
BYPASS
VDD
COMP
EN
EP
LINEDROP
POK
13V/18V
1
2
3
4
5
6
7
8
16
15
14
13
12
11
10
9
PGND
SW
BST
VBOOST
VOUT
ILIMIT
TCAP
EXTM
TOP VIEW
Vref
Boost
Driver
22kHz
Shaper
13V / 18V
Switch
8~14V Vin
BYPASS
13V/18V
POK
VBOOST
COMP
BST
+1V Offset
Internal
Regulator
Charge
Pump
TCAP
EXTM
VDD
SGND
PGND
SW
POK
LINEDROP
13V/18V
VOUT
ILIMIT
EN
Current
Limit

Table of Contents

Related product manuals