EasyManua.ls Logo

Philips 32PW9618 - Side I;O Panel

Philips 32PW9618
172 pages
Print Icon
To Next Page IconTo Next Page
To Next Page IconTo Next Page
To Previous Page IconTo Previous Page
To Previous Page IconTo Previous Page
Loading...
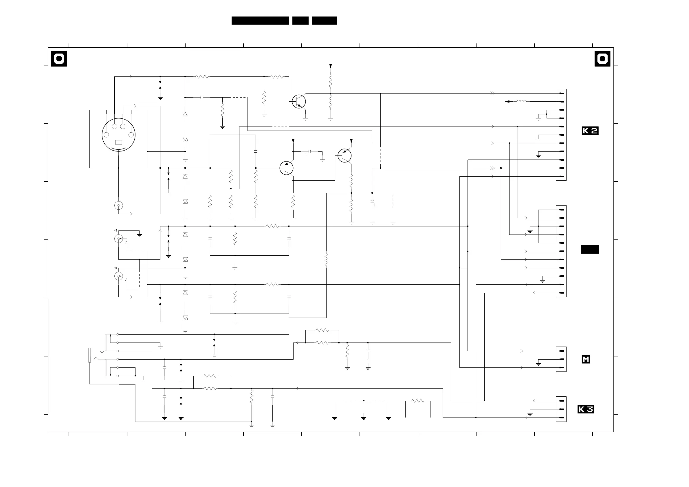
Circuit Diagrams and PWB Layouts
103EM6E 7.
Side I/O Panel
3806
33K
3815
39R
E
F
1326-A C1
1326-B C1
0344
FROM/TO
SOUND R-HEADPHONE-OUT
OF
9
9
A
B
C
D
E
F
A
B
C
D
GND
1326-C D1
1327 E2
1328 B1
1333 A9
1344 F9
1346 E9
1800 E2
1801 C2
1802 F2
1803 F2
1804 E3
1805 B2
1806 A2
1936 C9
2803 C3
2804 C4
2805 D4
2806 D3
2807 A3
2810 B4
2811 B5
2813 C6
2832 E6
2834 F4
2840 F2
2841 F2
3801 A3
3802 C3
3803 C4
3804 D4
3805 C3
OF
R
L
R
SOUND L-HEADPHONE-OUT
FROM/TO
c/ 16/9
R
CVBS
SVHS
CVBS
3806 D3
3808 B4
3809 A3
3810 C4
3811 C4
3812 B4
3813 B5
3814 C5
3815 C3
3816 B3
3826 E5
3827 E5
3828 F3
3829 F3
3830 F4
3835 D5
3842 E5
3845 A3
3846 A4
3847 A4
3848 A5
SOUND L-HEADPHONE-OUT
0346
Y
L
( DOUBLE WINDOW )
SOUND R-HEADPHONE-OUT
FROM/TO
R
3849 A5
3999 F7
4800 D2
4801 D2
4803 F5
4804 C6
5800 A8
6801 B3
6802 C2
6803 C3
6804 D2
6805 D3
6806 E2
6807 A3
6808 B2
7811 B4
7812 B5
7813 A5
9800 F6
9810 B6
Y
DETECT
HEADPHONE-OUT
L
C
0333
DETECT
L
GND
GND
16/9
Y
C
FROM/TO
1936
OF
(LSP SSP)
GND
SIDE I/O
OF
6808
BZX284-C6V8
GND_AUD
GNDB
GND_AUD
GNDB
GND_AUD
2807
220n
3999
150R
GND_AUD
6804
BZX284-C10
6801
BZX284-C6V8
6806
BZX284-C10
3810
680K
3849
3K3
1803
6805
BZX284-C10
2804
100p
1805
2834
10n
GNDB
3809
3829 120R
GNDB
RES (SDM-EMG_S)
4804
GNDB
GNDB
GNDB
3811
GNDB
3846
10K
1
2
39K
YKB21-5101A
1327
1
2
3
4
5
7
8
GNDB
2803
680p
3804
1K
3813
3K9
3803
1K
3814
2K2
2806
680p
GND_AUD
3845
4K7
3826 120R
3842
10K
1346
1
2
3
3830
10K
3827 120R
EH-B
1
10
11
2
3
4
5
6
7
8
9
2
3
4
5
6
7
8
9
1936
EH-B
100u
1333
EH-B
1
10
11
5800
GNDB
GNDB
6802
BZX284-C6V8
6
EH-B
1344
1
2
3
7813
BC847B
1326-B
4
5
GND_AUD
7811
BC857B
GNDB
3835
3K9
1802
3808
GND_AUD
2810
33n
GNDB
GND_AUD
4800
3802
75R
6807
BZX284-C6V8
1804
1328
YKF51-5564
5
1
3
4
2
1326-A
2813
2u2
3805
33K
1800
1801
3816
39R
2832
10n
3828 120R
680p
2841
2805
100p
4803
6803
BZX284-C10
4801
9810
GND_AUD
1326-C
7
89
3801
75R
2811
100u
3847
10K
3848
5K6
1806
GNDB
9800
3812
150K
680p
2840
+8V6
7812
BC857B
+8V6
+8V6
+8V6
CL 36532017_050.eps
240403
A8

Related product manuals