EasyManua.ls Logo

Philips 32PW9618 - Small Signal Board: PIP-I;O

Philips 32PW9618
172 pages
Print Icon
To Next Page IconTo Next Page
To Next Page IconTo Next Page
To Previous Page IconTo Previous Page
To Previous Page IconTo Previous Page
Loading...
76EM6E 7.
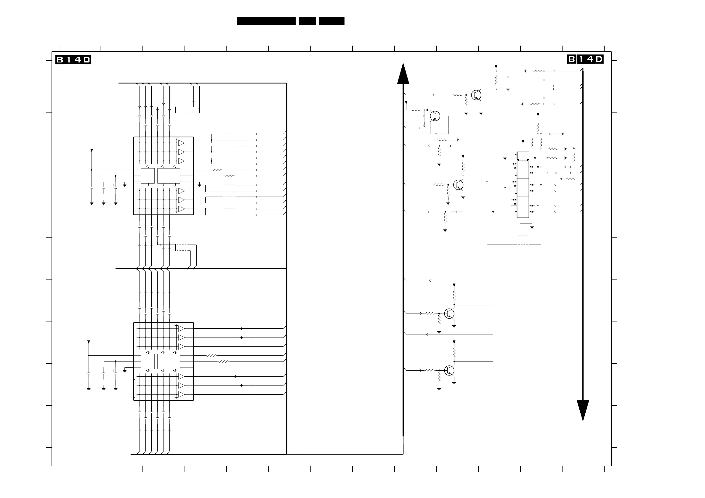
Circuit Diagrams and PWB Layouts
Small Signal Board: Audio I/O
NC
SUPPLY BUS DECODER
MUXDX
NC
SUPPLY BUS DECODER
B14b
B14b
B6a
B6a,B14d
B14d
B14c
B14b
3IJ1 C5
3IH5 A10
B6a
B6a , B14b
B6a , B14b
B6b
B6b
B6a
3IR8 B10
B6a
B6a,B14d
2I90 F3
3IJ3 F9
3IR0 C12
3IR2 B12
3IR3 B12
3IR4 B12
3IR6 C13
3IR7 C13
B6b
B14b
B14b
B14b
B14b
3IH7 A11
B6a
3IH9 A12
B6a , B14b
3II1 C10
3II2 C10
3II3 D10
3II4 A12
3II5 G10
3IT7 A9
7I00 B10
7I17 B2
7I18 F2
7I20 B12
7I22-A A11
B14b
3II6 H10
3II7 H9
3II8 G4
3II9 G4
3IJ0 C4
F
3IJ2 F10
2I92 H2
3IJ4 F10
2I94 I2
3IR1 B12
2I96 I3
2I97 I3
2I98 I3
2I99 A12
2IA0 B10
2IA1 D10
2IA2 A12
2IA3 B9
2IA7 A11
2IF0 I3
2IF1 F3
2IH0 C13
2IH1 C12
2IH2 B12
9I42 B3
3IH6 A10
3IH8 B10
3II0 C10
B14b
B14b
B14b
B6a
B6a
7I22-B C10
7I23-A H10
7I23-B F10
B14c
11
2I81 D3
2I82 D3
2I83 D3
2I84 D3
2I85 D3
2I86 F2
2I87 F3
2I88 F3
2I89 F3
2I75 B3
2I91 H1
H
2I93 H2
A
2I95 I3
C
D
E
F
G
B6a
B6a , B14b
B6a , B14b
B6a , B14b
2I80 D2
B1 --> B18
B1 --> B18
AUDIO I/O
9I58 E12
9I48 E3
9I57 D12
9I59 B10
FID2 G5
FID3 G5
FID4 H5
FID5 H5
12345
B14b
B6a
B6a , B14d
910
II73 A9
B1
B14b
12 13
A
B
C
D
E
II68 C12
II69 F10
II70 H10
678
1112345 910 1213678
II71 G2
II72 C2
G
2I76 B3
I
H
I
2I71 B2
2I72 B3
2I73 B3
2I74 B3
2I78 C2
2I79 C2
2I77 C1
B
9I32 B5
9I33 B5
9I34 C5
9I35 C5
9I36 C5
9I37 D5
9I43 E3
9I49 A3
II65 A10
II66 C12
II67 C10
II67
+8V
II71
9I34
II68
II66
+5V
3IR4
22K
1u
2I94
1u
2I95
1u
2I86
3IR2
47K
FID3
FID5
3IR1
100K
9I43
100K
3IR0
FID4
FID2
2IH0
100n
7I00
BC847BW
2IA2
II65
1u
10K
3II0
3IR7
75R
3IR8
220R
9I59
3IR6
75R
8204 000 8143.7
22u
2I93
9I32
MATRIX SWITCH
MATRIX SWITCH
100R
9I33
2I79
22u
3IJ1
9I36
9I37
3IJ2
10K
+5V
22K
3IJ4
+8V
+8V
II70
1u
2IF0
9I57
1u
9I58
47K
3IR3
2I99
2IH2
100n
10K
3II5
47K
3II4
100n
2IH1
+8V
7I23-A
BC847BS
ROUT3
27SCL
28SDA3VS
3II6
22K
L6
12LOUT1
14LOUT2
16LOUT3
7
8
21
22
25
R1
24
R2
23
R3
20
R4
19
R5
18
R6
13ROUT1
15ROUT2
17
TEA6422D
7I18
26ADDR
2CAP
1 GND
4
L1
5
L2
6
L3
9
L4
10
L5
11
1u
2I97
2I98
1u
+5V
1u
2I81
3II8
1u
2I89
100R
2I78
1u
2I77
1u
3
9I35
16
7
8
21
22
R1
25 24
R2 R3
23
R4
20
R5
19
R6
18
13ROUT1
ROUT2 15
ROUT3 17
SCL 27
SDA 28VS
7I17
ADDR 26
CAP2
GND1
L1
4
L2
5
L3
6
L4
910
L5 L6
11
LOUT1 12
14LOUT2
LOUT3
BC847BS
7I23-B
TEA6422D
22K
3IJ3
3IH7
10K
2IA3
100n
12
1y0
13
1y1
14
2y0
2
1
2y1
15
5
3y0
3
3y1
4
6
G3
8
GND
16
VCC
SWITCH
7
VEE
11
10
9
74HC4053
7I20
BC847BS
7I22-B
II69
2IA7
1u
3IH8
47K
9I49
II72
9I48
9I42
BC847BS
7I22-A
+8V
3IH5
22K
1u
2I73
1u
2I84
3II7
22K
1u
1u
2I80
1u
2I96
2I87 2I72
1u
2I71
1u
2I90
1u
2I91
1u
1u
47K
3IH9
2I92
1u
2IA1
1u
2IA0
II73
+8V
2IF1
1u
3IJ0
100R
3II9
1u
2I88
1u
1u
2I85
100R
1u
2I76
2I74
2I75
1u
1u
2I82
2I83
1u
47K
3II3
3II2
22K
3II1
22K
3IH6
22K
SNDL-MAIN-IN
SNDL-SEC-IN
SPI-1
SPI-2
SPDIF-IN1
3IT7
10R
2Fh1_L
SNDR-SC1-OUT
2Fh1_R
SNDR-BO-OUT1
R-FRONT-IN
AR-SC4-IN
SNDR-BO-OUT2
AL-SC4-IN
SNDL-BO-OUT2
SNDR-MAIN-IN
SNDR-SEC-IN
SNDR-SEC-IN
SNDR-BO-IN
SNDL-MAIN-IN
SNDL-SEC-IN
SNDL-BO-IN
SEL_IN_2_B
SNDR-SC1-OUT-DC
SNDL-SC1-OUT-DC
SNDL-BO-OUT1
SNDR-BO-IN
SNDL-SC1-OUT-DC
SNDR-SC1-OUT-DC
SNDL-SC1-OUT
SNDL-MON-OUT
SNDR-MON-OUT
REG-SW
SNDL-SC2-OUT
SNDR-SC2-OUT
SNDL-SC1-OUT
SNDR-SC1-OUT
SEL_IN_2_F
SEL_IN_1_B
SEL_IN_1_F
SNDL-BO-IN
LOUT1
LOUT2
LOUT3
MONO-PIP
ROUT1
ROUT2
ROUT3
MONO-PIP
S-SDA
S-SCL
SNDR-MAIN-IN
LOUT1
ROUT1
LOUT2
ROUT2
LOUT3
ROUT3
AL-SC1-IN
AL-SC2-IN
AL-SC3-IN
L-FRONT-IN
AR-SC1-IN
AR-SC2-IN
AR-SC3-IN
S-SDA
S-SCL
SUBW-SPI-SW
CL 36532008_045.eps
070503

Related product manuals