EasyManua.ls Logo

Philips 65OLED804/78 - Page 34

Philips 65OLED804/78
75 pages
Print Icon
To Next Page IconTo Next Page
To Next Page IconTo Next Page
To Previous Page IconTo Previous Page
To Previous Page IconTo Previous Page
Loading...
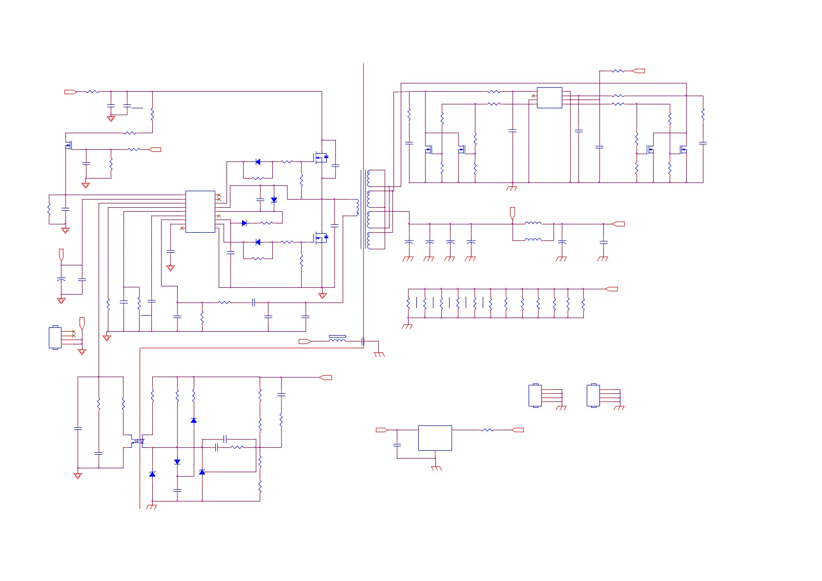
9-1-4 24V power stage
380GL52P426H0000VP
R9243
2R2 +-5% 1/8W
R9245
47K 1/8W 1%
Q9207
MTE011N10RFP-0-UB-S
Bead
Bead
Bead
Bead
+
C9233
1000UF 35V
+
C9234
1000UF 35V
Max:15A
+
C9235
1000UF 35V
T9201
POWER X'FMR
1
2
5
4
3
6
10
8
9
7
24V / R9228:100 ohm
22.5V / R9228:280 ohm
R9239
2R2 +-5% 1/8W
R9206
1K 1/4W
+VCC3
+24V
C9202
0.1uF 50V
R9207
10K 1/10W 1%
Q9201
MTN127KN3
C9201
NC/2200PF2KV
R9208
22K OHM 1%
R9241
10 OHM 1% 1/4W
MP6922
U9204
MP6922LGS-Z
VG2
1
PGND
2
EN
3
VD2
4
VSS
5
VD1
6
VDD
7
VG1
8
Q9206
MTE011N10RFP-0-UB-S
R9244
NC/47K 1/8W 1%
Q9204
MTE011N10RFP-0-UB-S
R9237
47K 1/8W 1%
C9229
2.2uF 25V
+VCC3
R9238
1K 1/4W
R9236
10 OHM 1% 1/4W
C9218
0.47UF 50V
+
C9204
10UF 50V
R9220
3.6K 1/10W
ZD9204
BZT52-B22
1 2
C9221
NC
HOT COLD
R9215
10R 1%
R9229
1K8 1/10W 1%
C9220
0.1uF 50V
C9217
1NF 50V
R9217
75R 1/10W 1%
C9212
1NF 50V
R9225
100R 1/10W 1%
R9223
10K 1/10W 1%
U9203
AS431AN-E1
D9202
SS1060FL
C9207
0.22UF 50V
C9213
100pF 2KV
R9218
10R 1%
C9219
1UF 50V
R9222
2.2K 1/10W
R9227
2Kohm 1/10W +/-1%
C9214
27nF
R9221
0R 5%
C9239
0.1uF 50V
R9216
10K 1/10W 1%
R9226
15K 1/4W 1%
R9219
10K 1/10W 1%
R9214
75R 1/10W 1%
C9203
0.1uF 50V
C9206
1UF 50V
+24VS
L9201
3.0uH+-10%
D9203
SS1060FL
COLDHOT
L9202
3.0uH+-10%
VBUS
U9202
EL817M(X)
1
23
4
D9204
IN4148W RHG
D9205
IN4148W RHG
+24VS
C9215
27nF
R9224
100R 1/10W 1%
R9295
510K 1/10W 5%
C9216
100pF 2KV
R9212
200R 1/10W 1%
V18 OLED Vo: 24V
V19 OLED Vo: 22V
+
C9232
NC/1000UF 35V
C9245
2.2uF 25V
C9205
0.1uF 50V
+24V
R9259
10 OHM 1% 1/4W
Q9202
IPA50R380CE
2
1
3
U9201
SSC3S931
VSEN
1
VCC
2
FB
3
DTS
4
CSS
5
CL
6
RC
7
CD
8
NC1
9
GND
10
VGL
11
REG
12
NC2
13
VB
14
VS
15
VGH
16
NC3
17
NC4
18
Q9203
IPA50R380CE
2
1
3
R9201
0R1
R9203
3M 1%
C9223
1NF 10% 100V
R9209
1K 1/8W 1%
Q9205
MTE011N10RFP-0-UB-S
R9240
NC/47K 1/8W 1%
R9242
1K 1/4W
R9246
10 OHM 1% 1/4W
+
C9237
470UF 35V
U9205
GND
2
OUT
3
IN
1
MP6922
C9271
10NF 1KV
R9211
120R 1/8W 1%
C9209
1UF 50V
C9225
100PF 200V
R9228
280 OHM 1%
C9208
1UF 50V
D9201
US1M_HF
R9213
2R2 +-5% 1/8W
C9227
100PF 200V
ZD9201
BZT52-B15G
12
C9210
220N 50V
C9230
1NF 10% 100V
R9230
NC/100R 1/10W 1%
C9241
NC
HS9202
HEAT SINK
1
2
3
4
C9231
100pF 2KV
HS9203
HEAT SINK
1
2
3
4
HS9201
HEAT SINK
1
2
3
4
R9252
10K OHM
R9247
10K OHM
R9253
10K OHM
R9254
10K OHM
R9258
10K OHM
R9248
10K OHM
R9249
10K OHM
R9250
10K OHM
R9251
10K OHM
R9255
10K OHM
R9257
10K OHM
R9256
10K OHM
+24VS
R9202
3M 1%
FB9211
BEAD
12
C9251
100PF 250V
D
D
FB9201
10 OHM 1% 1/8W
FB9202
NC/10 OHM 1% 1/8W
FB9203
NC/10 OHM 1% 1/8W
FB9204
10 OHM 1% 1/8W

Related product manuals