EasyManua.ls Logo

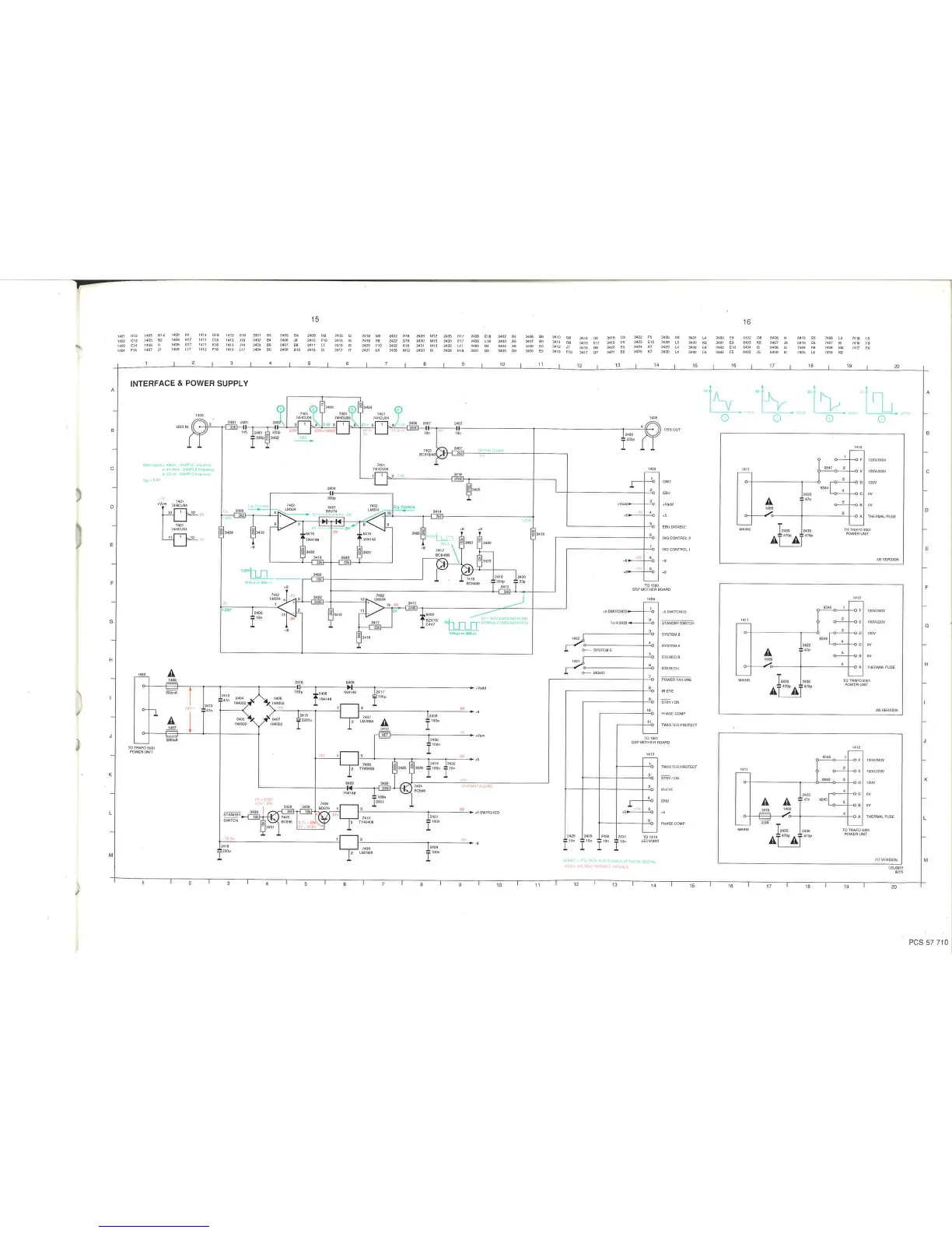
Philips 70DSS930 - INTERFACE & POWER SUPPLY SCHEMATIC; Interface Circuitry Schematic; Power Supply Circuitry Schematic

Philips 70DSS930
39 pages
Print Icon
To Next Page IconTo Next Page
To Next Page IconTo Next Page
To Previous Page IconTo Previous Page
To Previous Page IconTo Previous Page
Loading...

Related product manuals