EasyManua.ls Logo

Philips AJ301D - Circuit Diagram

Philips AJ301D
10 pages
Print Icon
To Next Page IconTo Next Page
To Next Page IconTo Next Page
To Previous Page IconTo Previous Page
To Previous Page IconTo Previous Page
Loading...
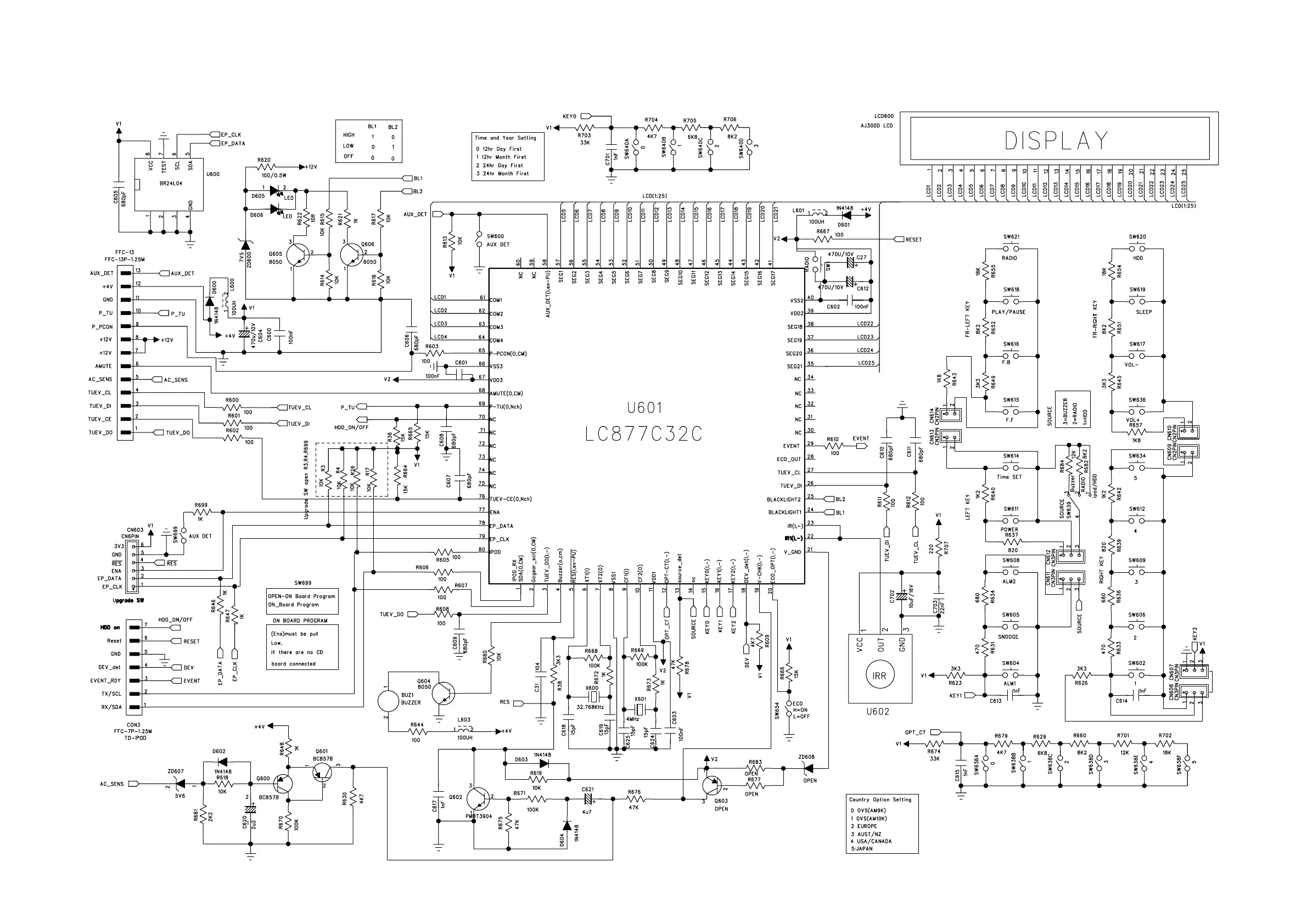
CIRCUIT DIAGRAM - DISPLAY BOARD
7 - 1 7 - 1

Other manuals for Philips AJ301D

Related product manuals