EasyManua.ls Logo

Philips AS660C/41 - Page 117

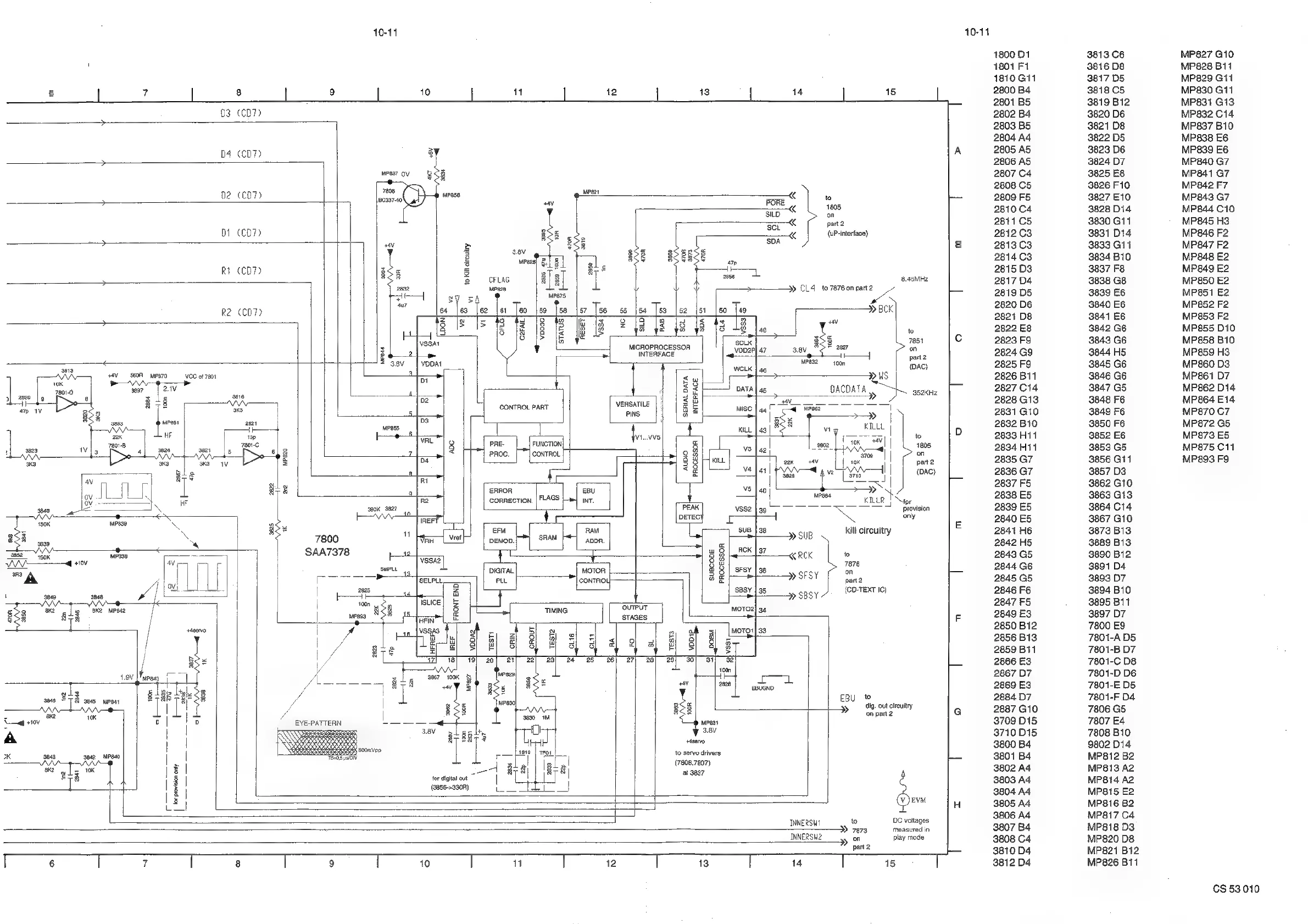
Philips AS660C/41
128 pages
Print Icon
To Next Page IconTo Next Page
To Next Page IconTo Next Page
To Previous Page IconTo Previous Page
To Previous Page IconTo Previous Page
Loading...
10-11 10-11
1800
D1
3813
C6
MP827
G10
1801
FA
3816
D8
MP828
B11
1810
G11
3817
DS
MP829
G11
6
7
8
|
9
10
4
12
13
14
15
2800
B4
3818
C5
MP830
G11
L_
2801
BS
3819
B12
MP831
G13
03
<CD7)
2802
B4
3820
D6
MP832
C14
2803
BS
3821
D8
MP837
B10
2804
A4
3822
D5
MP838
E6
D4
«C07
ay
A
2805
AS
3823
D6
MP839
E6
2806
AS
3824
D7
MP840
G7
wessr
oy
SSH
2807
C4
3825
E8
MP841
G7
aBuhias
es
2808
C5
3826
F10
MP842
F7
©
b
2809
F5
3827
E10
MP843
G7
_
2810
C4
3828
D14
MP844
C10
pant2
2811
C5
3830
G11
MP845
H3
DI
(eD7)
.
(uP
intriace)
2812.
C3
3831
D14
MP846
F2
z
a
B
2813
C3
3833
G11
MP847
F2
E
2814
C3
3834
B10
MP848
E2
RI
(CDT)
ass
ie
2815
D3
3837
F8
MP849
E2
2
46M
2817
D4
3838
G8
MP850
E2
ae
ee
RGR
ead
=
2819
D5
3839
E6
MP851
E2
R2
(C07)
ia
4
[es
sv
[se
_s5_|s«
[50
|s2_|s1_|s0
[40
p>
ack
2820
06
S840
6
Mrgoe
re
[es
ba
2
2
le
de
de
ds
1
dg
2821
D8
3841
E6
MP853
F2
|
|
18
i;
fe
2
2
42
fe
f8
te
8
las
Y
6
2822
E8 3842
G6
MP855
D10
|
eas
id
eee
re
ot
souk
gE,
7351
c
2823
F9
3843
G6
MP858
B10
i
L_»
ar
INTERFACE
ag
DEF
AT
SRY,
4
eae
2824
GO
3844
HS
MP859
H3
ane
gov
[voom
wwoix
|
ae
wesse
toon
(DAC)
2825
F9
3845
G6
MP860
D3
oe
ot
7204
a
|
éy\
2
NS
2826
B11
3846
G6
MP861
D7
Aas
&
2
omlas
DACDATAS
sont
[—
2827
C14
3847
G5
MP862
D14
alt
a
eee
|
basal
|
ae
en
3S
‘aes
2832
B10
3850
F6
MP872
G5
bear
ee
Hiwsl)
tS
st
to
D
2833
H11
3852
E6
MP873
ES
8
pB
Hed
Pre
peers
wo
|
ve
sec
2834
H11
3853
GS
MP875
C11
g
ama
5
cad
53
8
pnw
|
rad
2835
G7
3856
G11
MP893
F9
ato!
|
NA
(ac)
|
2836
G7
3857
D3
g
;
——
ey
=
2837
F5
3862
G10
Re]
CORRECTION.
|
FLAGS
—m)
yr,
y
ae
rae
2838
ES
3863
G13
cook
2827
|
{
re
“Penk
vose
foo
4
Proven
2839
7
3864
C14
IREFT.
|
aera
2840
E5
3867
G10
*
700
1
bee
Tom
|S
Lal
sma
Le]
Lol
Sug
{8°
__y.
sug
Kill
circuitry
a
2841
H6
3873
B13
eeecen
Var
vewon,
|]
ADDR.
Eee
pe)
\
2842
HS
3889
B13
rag]
iz
i"
33h
KRCK
©
2843
G5
3890
B12
=
pth
aa
DIGITAL
|
woror
|
8
3
sey
|36__y
gpgy
Hd
L—
oe
ee
bette
Be
SEP
PLL
conrRot}
&
part
2
|
2805
2
}
sBSY
|
35
(CD-TEXT
IC)
2846
F6 3894
B10
~—<*
Be
‘om
yoy
PLE)
LF
an
ie
|
meal
Spey
2847
FS
3895
B11
838
ag
|
|
rgs
Nok
is
ae
&
MING:
STAGES
real
i
F
2849
E3
3897
D7
|
tile
j
bea
Ta
=
2850
B12
7800
E9
|
|
7
roe
ls
8)
Ble
2
Gs
|
al
ot
a
2856
B13
7801-A
DS
|
7
be
ie
ee
ial
yy
My
yy
2859
B11
7801-B
D7
i
2
x
|
/
18) 79)
20,
27
22,
23)
24-2526)
27]
28]
Ls
2866
E3
7801-C
D8
tov
fare
Ress)
ob
L
L}
2867
D7
7801-D
D6
=f.
T
glat
lekse
ass
|
BSF
aw]
[=|
ette
2869
E3
7801-E
DS
we
7h
ce
wes
|
STEP
TEESE
aan
Vo
eeu
&
2884
D7
7801-F
D4
apes
Venera
|
I
on
Se
ee
ae
G
2887
G10
7806
GS
a
ov
D
!
“O
wee
3709
D15
7807
E4
A
T
Au
3710
D15
7808
B10
pal
wnt
|
sare
3800
B4
9802
D14
is
fee
see
Me
||
L
Sere
tp
sene
citer,
=
3801
B4
MP812
B2
ao
a
0k
al
TA
ata,
|
late
(7808,7807)
3802
A4
MP813
A2
78
i
|
raga)
“LL
YT"!
a
3803
A4
MP814
A2
na
Gaseossoy
EE
3804
A4
MP815
E2
ieee
aI
i
H
3805
A4
MP816
B2
ee
2207
Ba
MPEt8
Do
INNERSW2
4
on
play
mode
3808
C4
MP820
D8
1
pene
}—
3810
D4
MP821
B12
6
7
8 9
10
an
T
12 13
14
I
15
3812
D4
MP826
B11
CS
53
010

Related product manuals