EasyManua.ls Logo

Philips AS660C/41 - Page 81

Philips AS660C/41
128 pages
Print Icon
To Next Page IconTo Next Page
To Next Page IconTo Next Page
To Previous Page IconTo Previous Page
To Previous Page IconTo Previous Page
Loading...
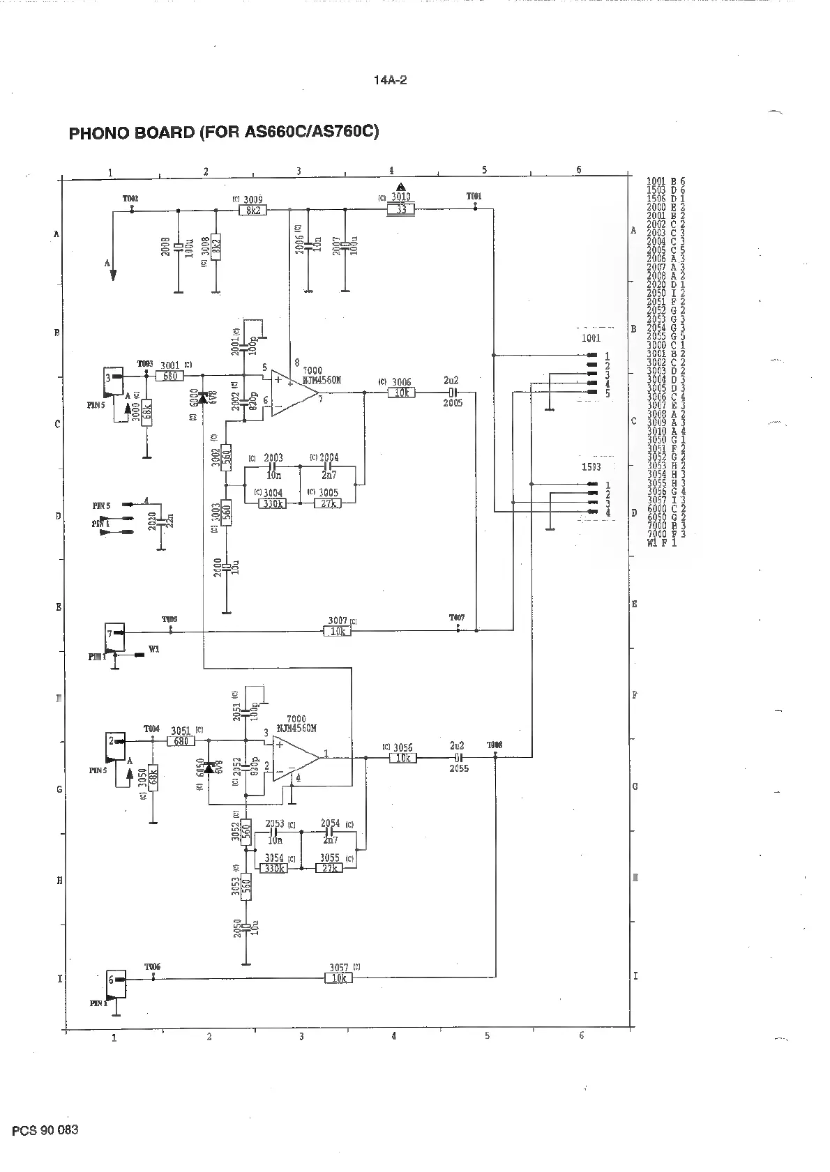
14A-2
PHONO
BOARD
(FOR
AS660C/AS760C)
AAAMMOOLUC
CE
LANEOOVOU
MAAR
Ma
OR
OMMMOMOOM
Et
QBS
ANS
NE
BOS
HAIMA
SAI
MMNOM
OHSS
AMIN
SSSOE
SRIRERSARSSARARRARN
SAE
AA
SARE
ABSA
BASSES
ae
i
nl
1
i
n
ad
4 n
bint
ne
n
=
1
ae
Suey
Buy
4
4
3
re
-
Ee
ie
gue
E+
ata
sy
2
su
e
J
TOOT
a
1002
36
F
“2
4
33
foot
7
TOT
a
a
a
3
oe
8
o
tK——1
BOE
i
«0002
.
BOE
1
-
097
d
vt
al
5
4
800
“it
E
(rar
E
z
E+
z+
Zk
z
Zz
z
aps
=
=
=
=
:
=
+
=
r
a
r
r
=
:
T
=i
r
=
PCS
90
083

Related product manuals