EasyManua.ls Logo

Philips AX 2200 - Page 14

Philips AX 2200
22 pages
Print Icon
To Next Page IconTo Next Page
To Next Page IconTo Next Page
To Previous Page IconTo Previous Page
To Previous Page IconTo Previous Page
Loading...
4-6
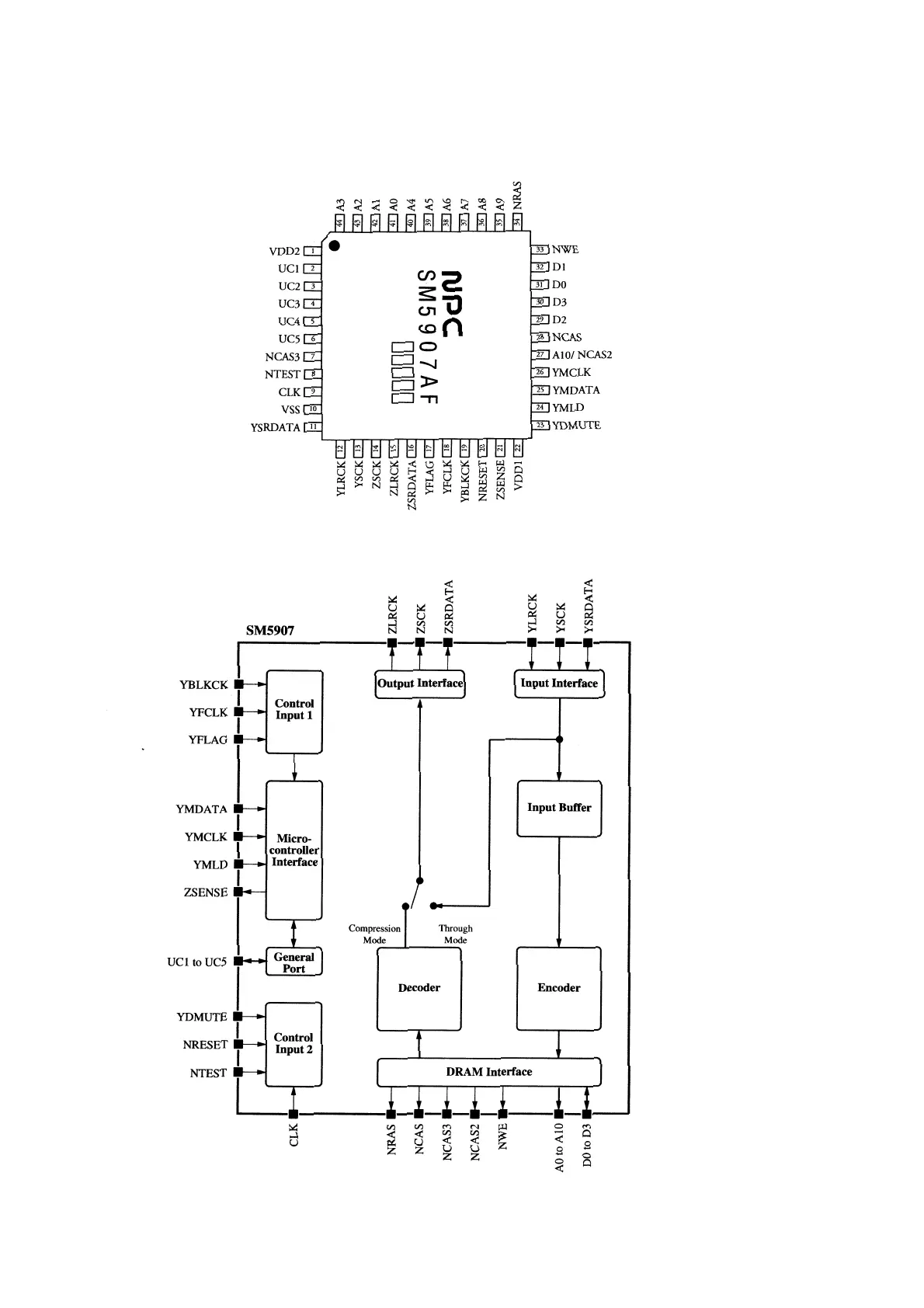
IC BLOCK DIAGRAM
U6: SM5907AF