EasyManua.ls Logo

Philips AX 2200 - Page 16

Philips AX 2200
22 pages
Print Icon
To Next Page IconTo Next Page
To Next Page IconTo Next Page
To Previous Page IconTo Previous Page
To Previous Page IconTo Previous Page
Loading...
5-2 5-2
FIT FOR TUNER VERSION
NOT FIT
NOT FIT
NOT FIT FOR TUNER VERSION
SLE+
MOT
MOT
-
HOMESW
HOMESW
MOT+
MOT+
SLE-
2V6D
2V6D
2V6A
2V6D
+VR
2V6A_RADIO
2V6D_RADIO
+VR
+VR
2V6D
+Vb
+V_HEADPHONE
+VR
+VR
L4
2.2uH
R162
33K 1%
R44 2K2
R39 2K2
D3
BAS316
+
C617
100u
C36
100n
TP
TP
15
+
C608
47u LOW ESR
+
C618
220u
L6*
2.2uH
C31
1u
C48
1n5*
Q6* BSH205
R36 2K2
R35
100K
TP13
C5
1u
R4
10E
R24*
100E
L602 33uH
R10 47E
C24
120n
TP12
Q18*
BC817-40
C33
470p
TP11
C39
100n*
D1
PRLL5817
C64
470n
TP34
R116
2E2
TP10
C7
1n
C20
1n
R184K7
TP8
C37
100n*
R141
0E
C52
3n3
C53
3n3
TP6
R22*
100K
R28 5K6
R14 100E
TP3
TP3
C26
470n
TP9
R11
3.9K
R33 5K6
C49
1n5*
L11
2.2uH
TP7
C42
100n
R50*
47K
TP1
R166
220K*
+
C609
220u
R40 2K2
R45
100K 1%
C6
47p
R37 2K2
R23*
100E
C13
470n*
C30 3n3
+
C628*
100u
Q12
BSH205*
TP5
TP5
Q3*
BSH205
R27 51K
R9
100K
L601
L100uH+6uH
Q1
PBS5140T
R46
100K 1%
R47
100K
R21 22K
L12*
2.2uH
U1
MM1538
MM1538
XQ
1
2
3
4
5
6
7
8
9
10
11
12
13
14
15
16
17
18
19
20
21
22
23
24
25
26
27
28
29
30
31
32
33
34
35
36
37
38
39
40
41
42
43
44
BSEN
BATT
RESET
DEAD
SW
EO
EI
SPRT
CT
N.C
OP-
VSYS1
OPOUT
OP+
VSYS2
Vref
IN3
IN3
IN4
IN4
MUTE34
IN2
IN2
MUTE2
IN1
IN1
BRAKE1
OYT4R
OUT4F
OUT3R
OUT3R
OUT3F
POWGND
OUT2F
OUT2R
OUT2R
OUT1F
OUT1R
OUT1R
RCHG
AMUTE
EMP
HVCC
PSW
CLK
START
OFF
CHGVCC
CHGVCC
SEL
PREGND
PWMFIL
PWMFIL
C51
3n3
BT601
BATTERY 2.4V
TP2
TP2
Q4
BSH105
R149 5K6
D2
PRLL5817
MX601
JST ZH-6A
JST ZH-6A
1
2
3
4
5
6
D9
PRLL5817
C43
10n
C50
3n3*
R43 2K2
R167
0E/2E2*
R2
10K
D10
PRLL5817
Q2
PBS4140T
S601
ALPS SPPB51
F601 SP 63
C44
100n
R1 10K
R7
1K
C28
470n
J601
TC18-099-03
R5
47K
C69*
470n
C4
100n
C38
100n*
R163
33K 1%
SLE+
RAD+
MOTO
DOOR
MOT
MOT
-
SLE+
HOME_SW
HOME_SW
DC_IN
MOT+
MOT+
RA
RAD-
SLE-
SLEEP
SLE-
FOC+
MOT+
MUTE34
MOT-
SL
FO
FOC-
WAKE
BATT_LEVEL
DM
POWER-CD
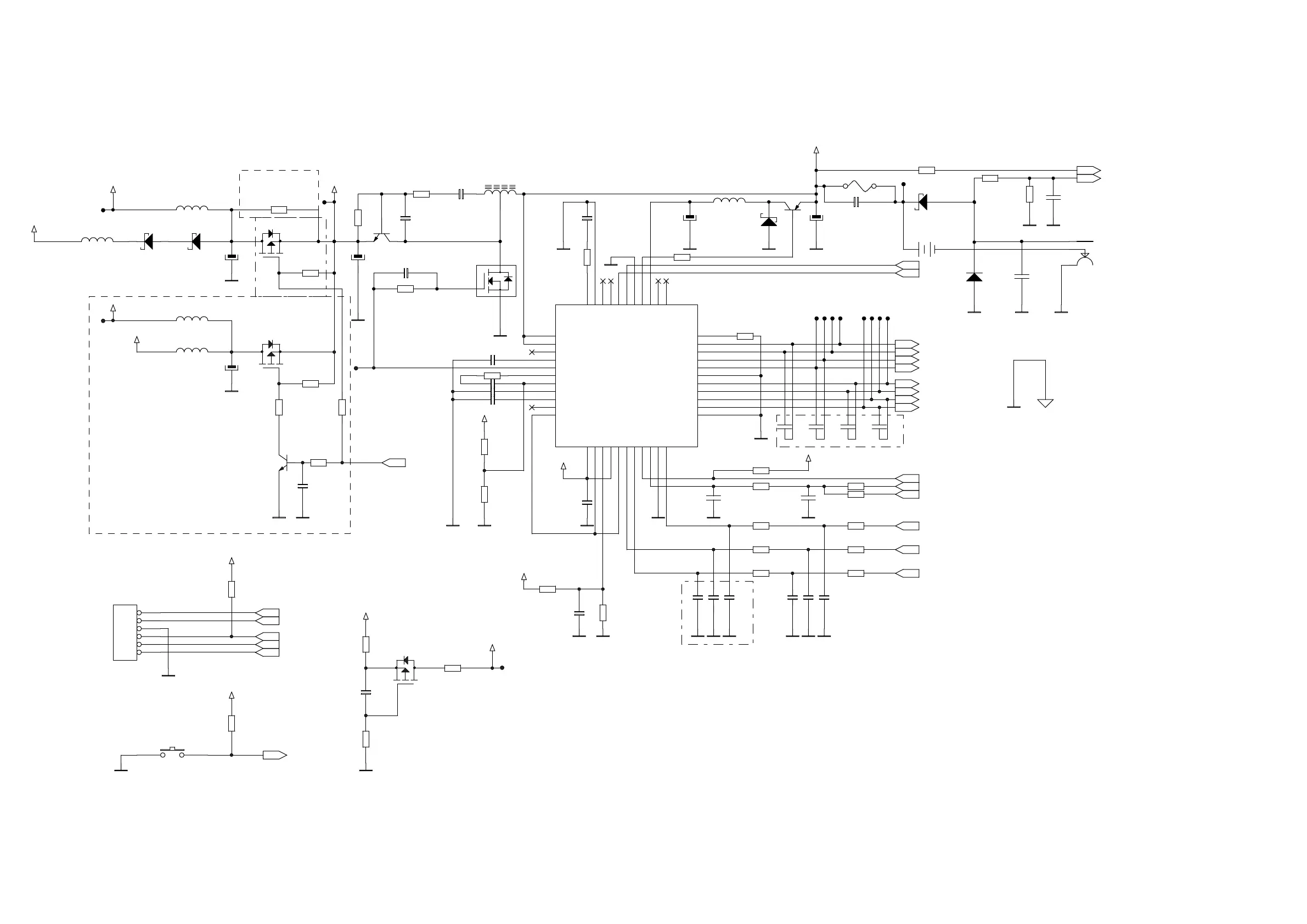
CIRCUIT DIAGRAM - SUPPLY AND SERVO PART