EasyManua.ls Logo

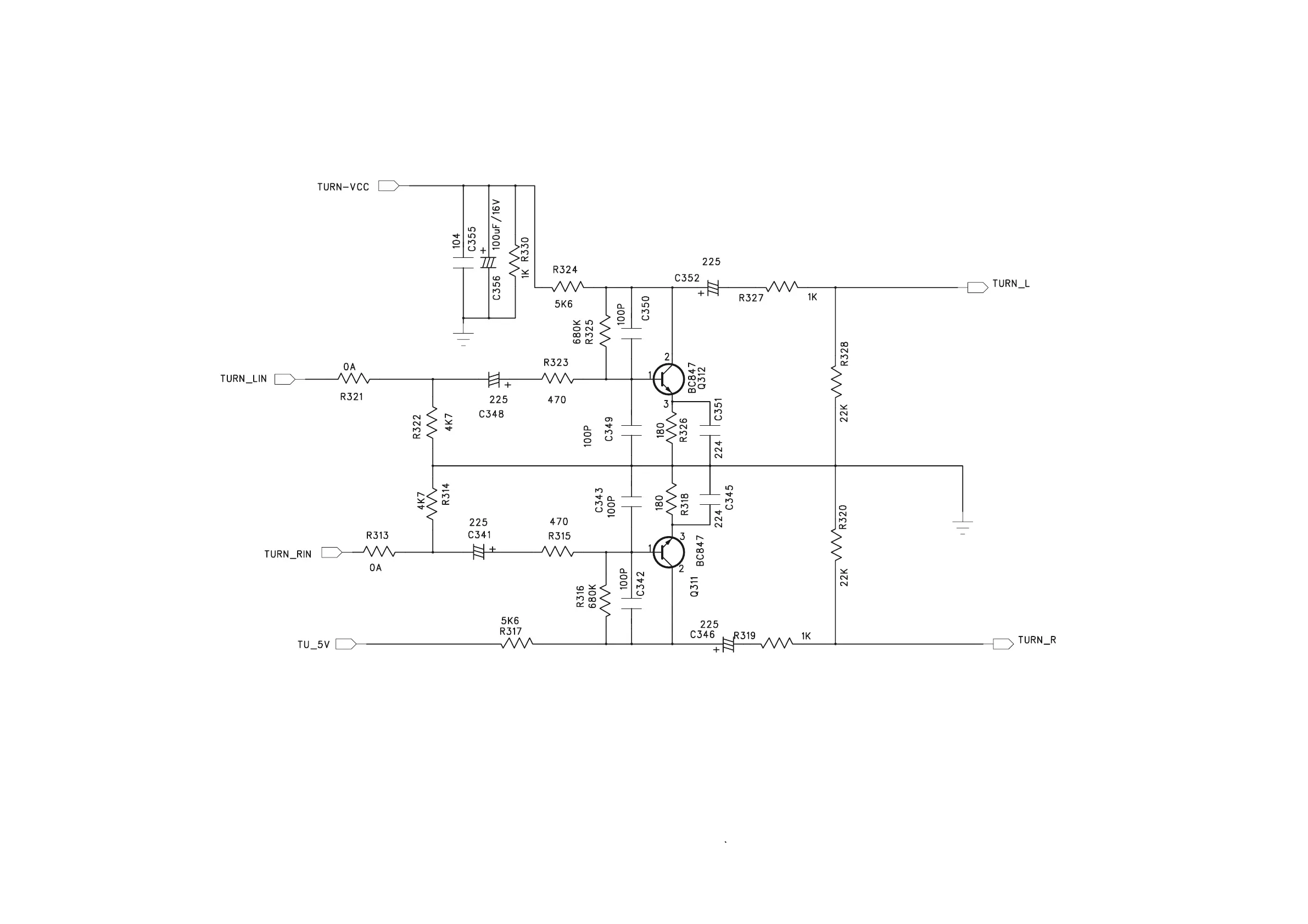
Philips AZ1627 - Tuner Buffer Circuit Diagram

Philips AZ1627
21 pages
Print Icon
To Next Page IconTo Next Page
To Next Page IconTo Next Page
To Previous Page IconTo Previous Page
To Previous Page IconTo Previous Page
Loading...
7-2 7-2
CIRCUIT DIAGRAM - TUNER BUFFER
ONLY FOR REFERENCE

Related product manuals