EasyManua.ls Logo

Philips AZ3067 - Page 6

Philips AZ3067
17 pages
Print Icon
To Next Page IconTo Next Page
To Next Page IconTo Next Page
To Previous Page IconTo Previous Page
To Previous Page IconTo Previous Page
Loading...
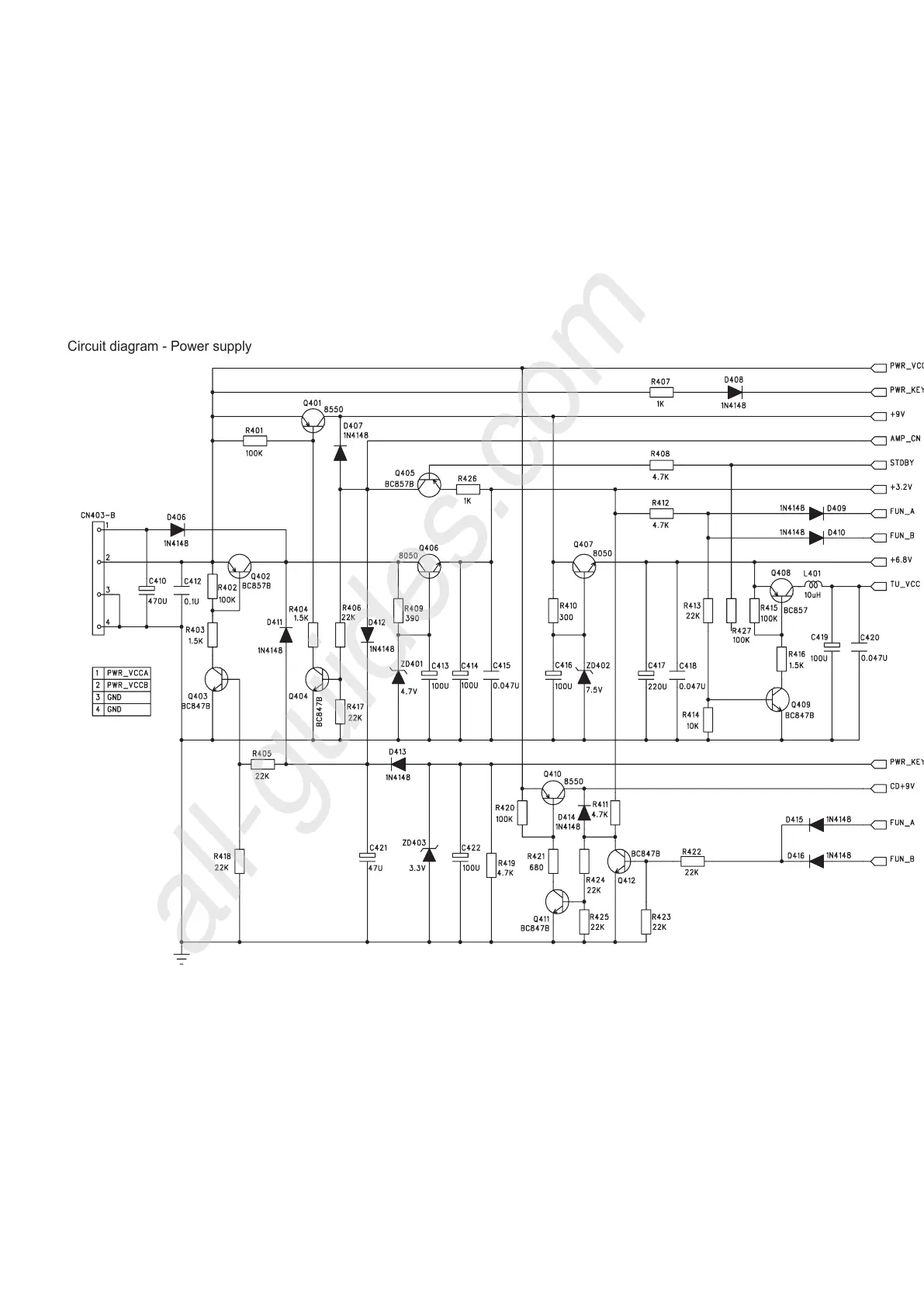
Circuit diagram - Power supply
All manuals and user guides at all-guides.com
all-guides.com

Related product manuals