EasyManua.ls Logo

Philips BM7713 - Page 15

Philips BM7713
17 pages
Print Icon
To Next Page IconTo Next Page
To Next Page IconTo Next Page
To Previous Page IconTo Previous Page
To Previous Page IconTo Previous Page
Loading...
12
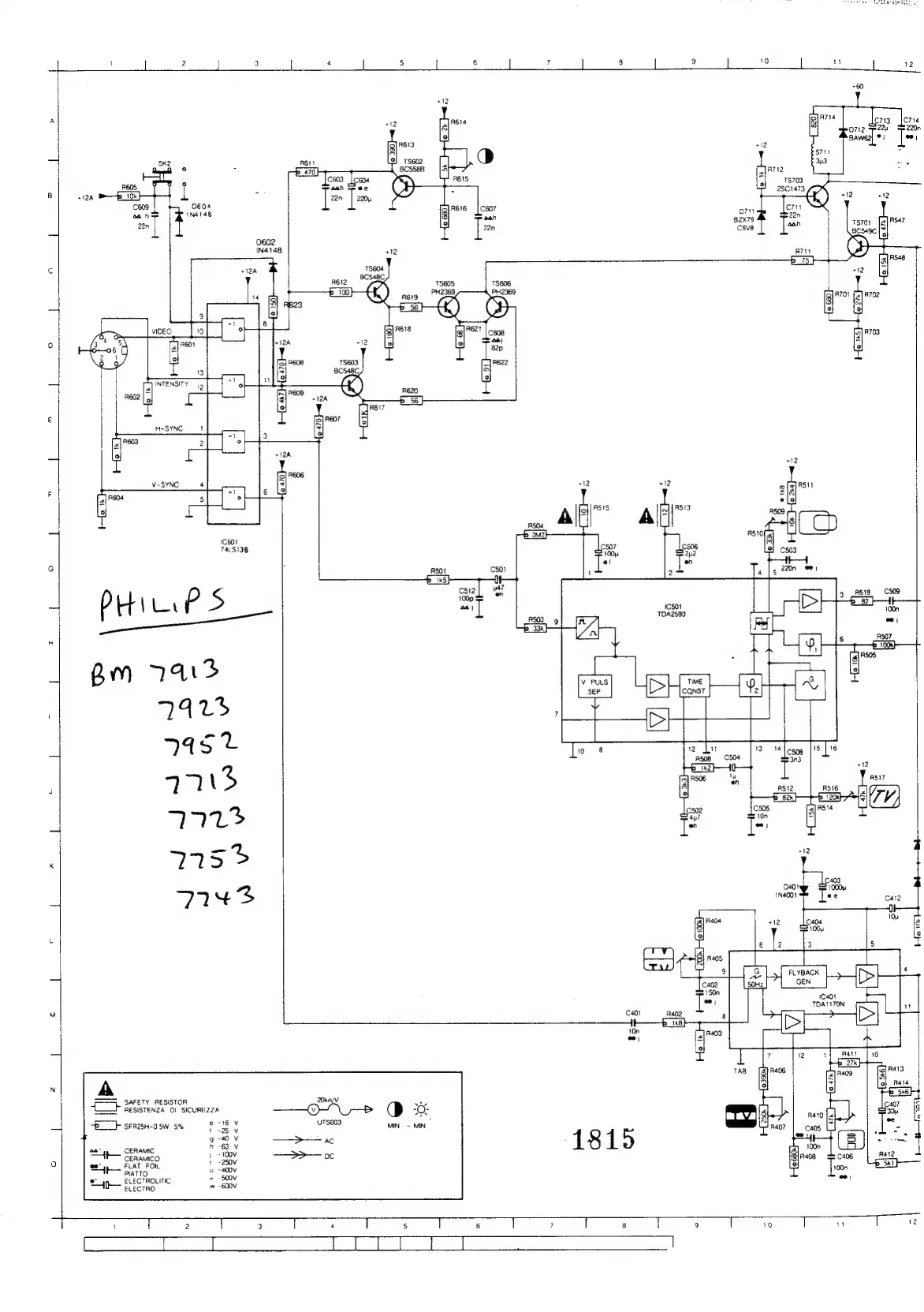
'C601
74S136
PHitiP
S
(oa
BM
741%
7423
7452
97213
7773
225%
7243
}
SAFETY
RESISTOR
RESISTENZA
Dt
SICUREZZA
BT}
srrest-osw
5%
718
Vv
-25
¥
~40
Vv
.
-8
V
sat
yp
CERAMIC
wv
CERAMICO
pen
oo
FLAT
FOR
A=
pratto
a0:
-500V
.
ELECTROLITIC
Ab
ELECTRO
~630V
ic4ot
TDA1170N

Related product manuals